GM Service Manual Online
For 1990-2009 cars only

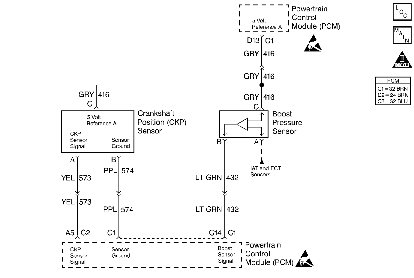
Object Number: 64734  Size: MF
Engine Controls Components
Sensor Controls
OBD II Symbol Description Notice
Handling ESD Sensitive Parts Notice
Handling ESD Sensitive Parts Notice

Circuit Description

The powertrain control module (PCM) controls boost using the turbocharger wastegate solenoid. The solenoid is pulse width modulated (PWM). When the wastegate solenoid is not energized, the vacuum to the turbocharger wastegate solenoid is vented to atmosphere through the solenoid. As the pulse width is increased by the PCM, more vacuum is applied through the solenoid to the wastegate actuator. At idle a higher vacuum to the wastegate actuator helps keep the wastegate closed. At higher engine speeds the vacuum supplied by the solenoid is less, allowing the turbocharger boost pressure to overcome the wastegate actuator.

Conditions for Setting the DTC

    • The Boost Pressure is greater than or equal to 4.8 volts (202 kPa).
    • The engine speed is less than 3506 RPM.

Action Taken When the DTC Sets

There is no turbo boost.

Conditions for Clearing the MIL/DTC

    • The PCM will turn the MIL off after three consecutive trips without a fault condition.
    • A History DTC will clear after forty consecutive warm-up cycles during which the diagnostic does not fail (the coolant temperature has risen 5°C (40°F) from the start up coolant temperature and the engine coolant temperature exceeds 71°C (160°F) of that same ignition cycle).
    • Use of a Scan Tool will clear the DTC codes.

Diagnostic Aids

Very little boost can be attained by revving the engine in neutral.

An intermittent can be caused by the following:

    • Poor connections
    • A rubbed through wire insulation
    • A broken wire inside of the insulation

Test Description

Number(s) below refer to the step number(s) on the Diagnostic Table.

  1. This step will determine if the PCM is responding to a low signal voltage. This will indicate that the PCM is OK.

  2. If the scan display is still less than or equal to 9 kPa by disconnecting the PCM the short to voltage is in the wiring.

  3. If the voltmeter value stays the same by disconnecting the PCM the short to battery voltage is in the wiring.

Step

Action

Value(s)

Yes

No

1

Important: Before clearing the DTCs, use the scan tool Capture Info to save the Freeze Frame and failure records for reference. The control module's data is deleted once the Clear Info function is used.

Did you perform the Powertrain On-Board Diagnostic (OBD) System Check?

--

Go to Step 2

Go to Powertrain On Board Diagnostic (OBD) System Check

2

  1. Connect a Scan tool.
  2. Start the engine and let the engine idle.

Does the scan tool display a Boost Pressure greater than or equal to the specified value?

202 kPa

Go to Step 3

Go to Step 5

3

  1. Turn the ignition OFF.
  2. Disconnect the Boost sensor electrical connector.
  3. Using a fused jumper, jumper the boost sensor signal to the sensor ground.
  4. Turn the ignition ON.

Does the Scan tool display a Boost Pressure less than or equal to the specified value?

10 kPa

Go to Step 6

Go to Step 4

4

  1. Verify the boost sensor is disconnected.
  2. Turn the ignition ON.
  3. Set the J 39200 digital multimeter to the mA scale.
  4. Measure the current across the boost sensor signal and the sensor ground circuit at the harness connector.

Is the current less than the specified value?

10 mA

Go to Step 6

Go to Step 11

5

  1. The DTC is intermittent.
  2. If no additional DTCs are stored, refer to Diagnostic Aids.
  3. If additional DTCs are stored, refer to those tables first.

Are any additional DTCs stored?

--

Go to the Applicable DTC Table

Go to Diagnostic Aids

6

  1. Turn the ignition ON leaving the engine OFF.
  2. Connect the J 39200 digital multimeter to a ground.
  3. Probe the 5 volt reference circuit at the boost sensor harness.

Is the voltage greater than the specified value?

5.2 V

Go to Step 12

Go to Step 7

7

  1. Verify that the boost sensor is disconnected.
  2. Using a J 39200 digital multimeter, measure the voltage across the boost sensor 5 volt reference circuit to the sensor ground at the harness connector.

Is the voltage within the within the specified range?

4.8-5.2 V

Go to Step 8

Go to Step 13

8

  1. Check for an open or a proper sensor signal terminal connection at the PCM.
  2. If a problem is found, repair as necessary.

Is the action complete?

--

Go to Step 15

Go to Step 9

9

  1. Check the boost sensor port for a restriction.
  2. If a problem is found, repair as necessary.

Is the action complete?

--

Go to Step 15

Go to Step 10

10

  1. Replace the boost sensor.
  2. Refer to Boost Sensor (Diesel)

Is the action complete?

--

Go to Step 15

--

11

  1. Check for a short to voltage in the boost sensor signal circuit.
  2. If a problem is found, repair as necessary.

Is the action complete?

--

Go to Step 15

Go to Step 14

12

  1. Check for a short to battery voltage in the boost sensor 5 volt reference circuit.
  2. If a problem is found, repair as necessary.

Is the action complete?

--

Go to Step 15

Go to Step 14

13

  1. Check for an open or a proper sensor ground terminal connection at the PCM.
  2. If a problem is found, repair as necessary.

Is the action complete?

--

Go to Step 15

Go to Step 14

14

Important:: The new PCM must be programmed. Refer to Powertrain Control Module Replacement/Programming

Is the action complete?

--

Go to Step 15

--

15

  1. Using the scan tool, clear the DTCs.
  2. Start the engine and idle at normal operating temperature.
  3. Select the DTC, Specific, then enter the DTC number which was set.
  4. Operate the vehicle, within the Conditions for Setting this DTC, until the scan tool indicates the diagnostic Ran.

Does the scan tool indicate the diagnostic Passed?

--

Go to Step 16

Go to Step 2

16

Does the scan tool display any additional undiagnosed DTCs?

--

Go to the Applicable DTC Table

System OK