GM Service Manual Online
For 1990-2009 cars only
Makes
🢒
Chevrolet
🢒
1997
🢒
Express
🢒 Sensor Controls
Sensor Controls
Sensor Controls
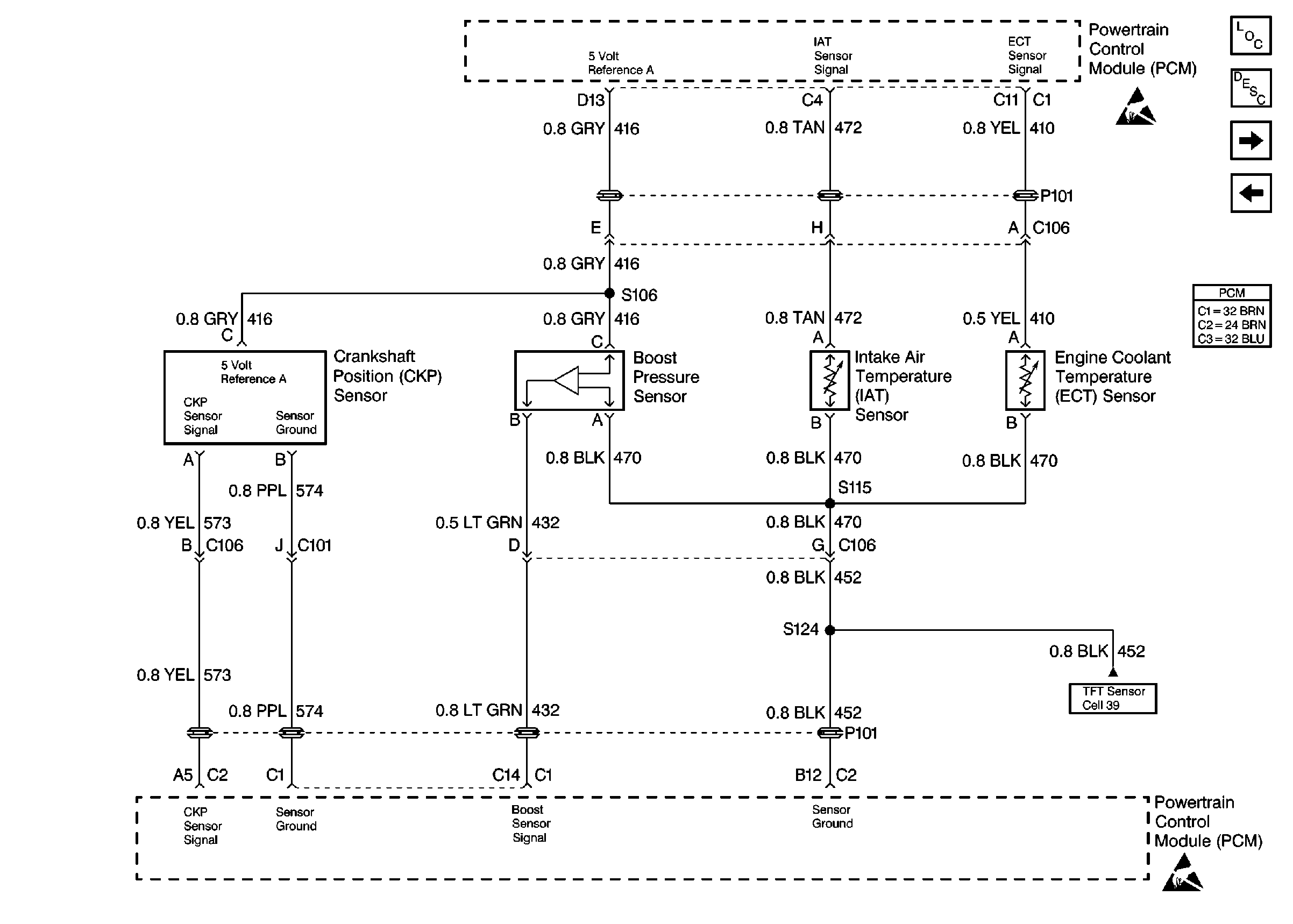
Engine Controls Components
Information Sensors
Cruise Control and Wastegate Controls
Fuel Temperature Controls
Sensor, Solenoid and GND Controls