GM Service Manual Online
For 1990-2009 cars only
Makes
🢒
Chevrolet
🢒
1997
🢒
Express
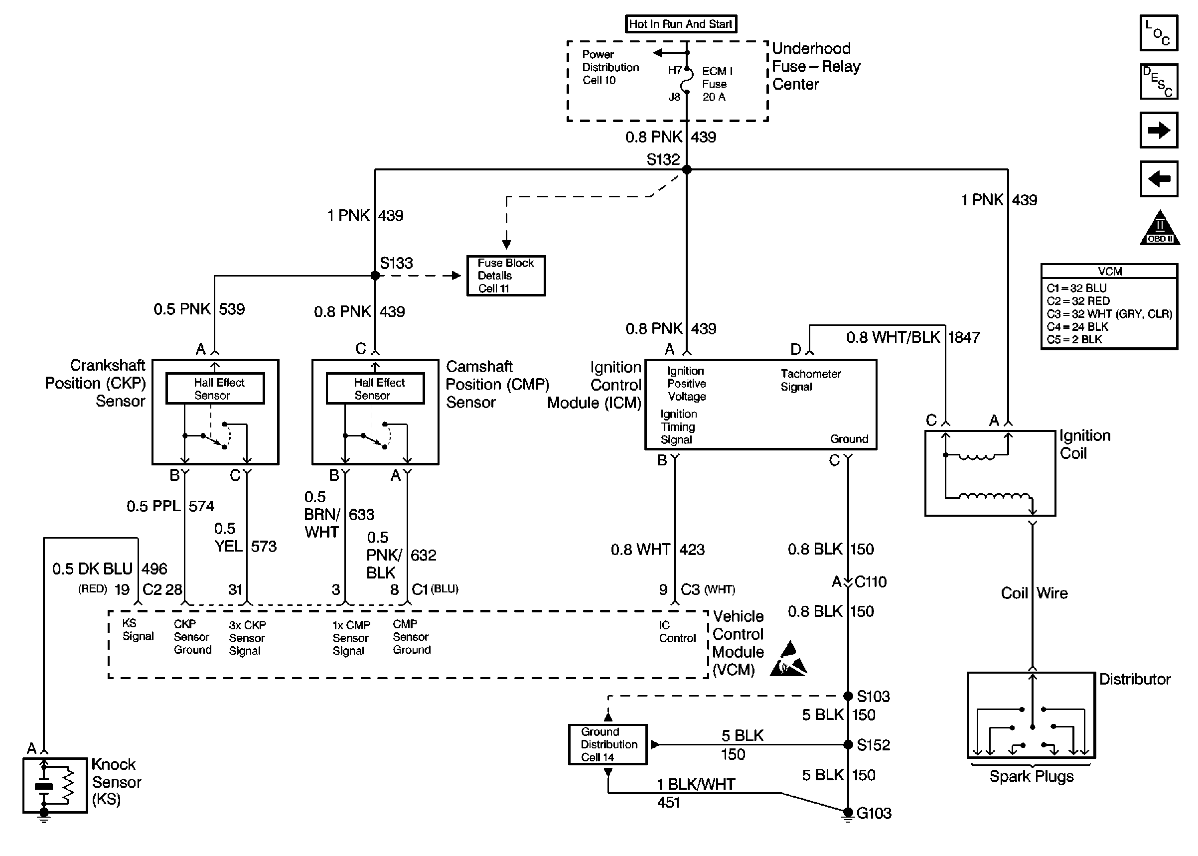
🢒 Ignition Controls
Ignition Controls
Ignition Controls
Engine Controls Components
Information Sensors 4.3L, 5.0L
Fuel Pump Controls
PWR, GND and DLC