GM Service Manual Online
For 1990-2009 cars only
Makes
🢒
Chevrolet
🢒
1997
🢒
Express
🢒 Sensor Controls 7.4L
Sensor Controls 7.4L
Sensor Controls 7.4L
Engine Controls Components
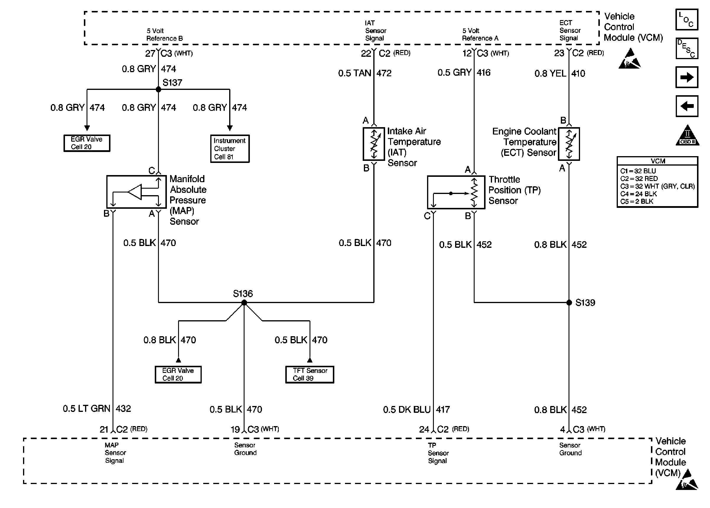
Information Sensors 5.7L, 7.4L
EGR and EVAP Controls 7.4L
Fuel Injector Controls 7.4L
OBD II Symbol Description Notice
EGR and EVAP Controls 7.4L
EGR and EVAP Controls 7.4L
Sensor, Solenoid and GND Controls