GM Service Manual Online
For 1990-2009 cars only
Makes
🢒
Chevrolet
🢒
1997
🢒
Express
🢒 Sensor, Solenoid and GND Controls
Sensor, Solenoid and GND Controls
Sensor, Solenoid and GND Controls
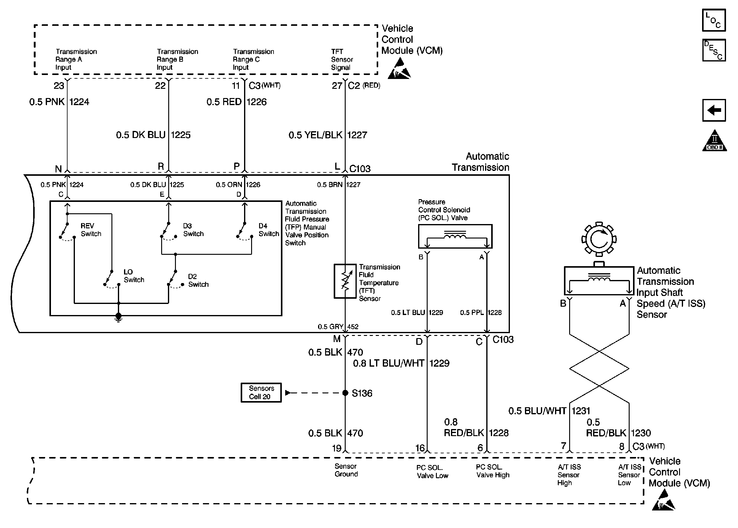
Automatic Transmission Components Gas Engines
OBD II Symbol Description Notice
Information Sensors 5.7L, 7.4L
Solenoid, TCC and Stoplamp Controls
Sensor Controls 7.4L
Sensor Controls 5.0L/5.7L