GM Service Manual Online
For 1990-2009 cars only
Makes
🢒
Chevrolet
🢒
1997
🢒
Express
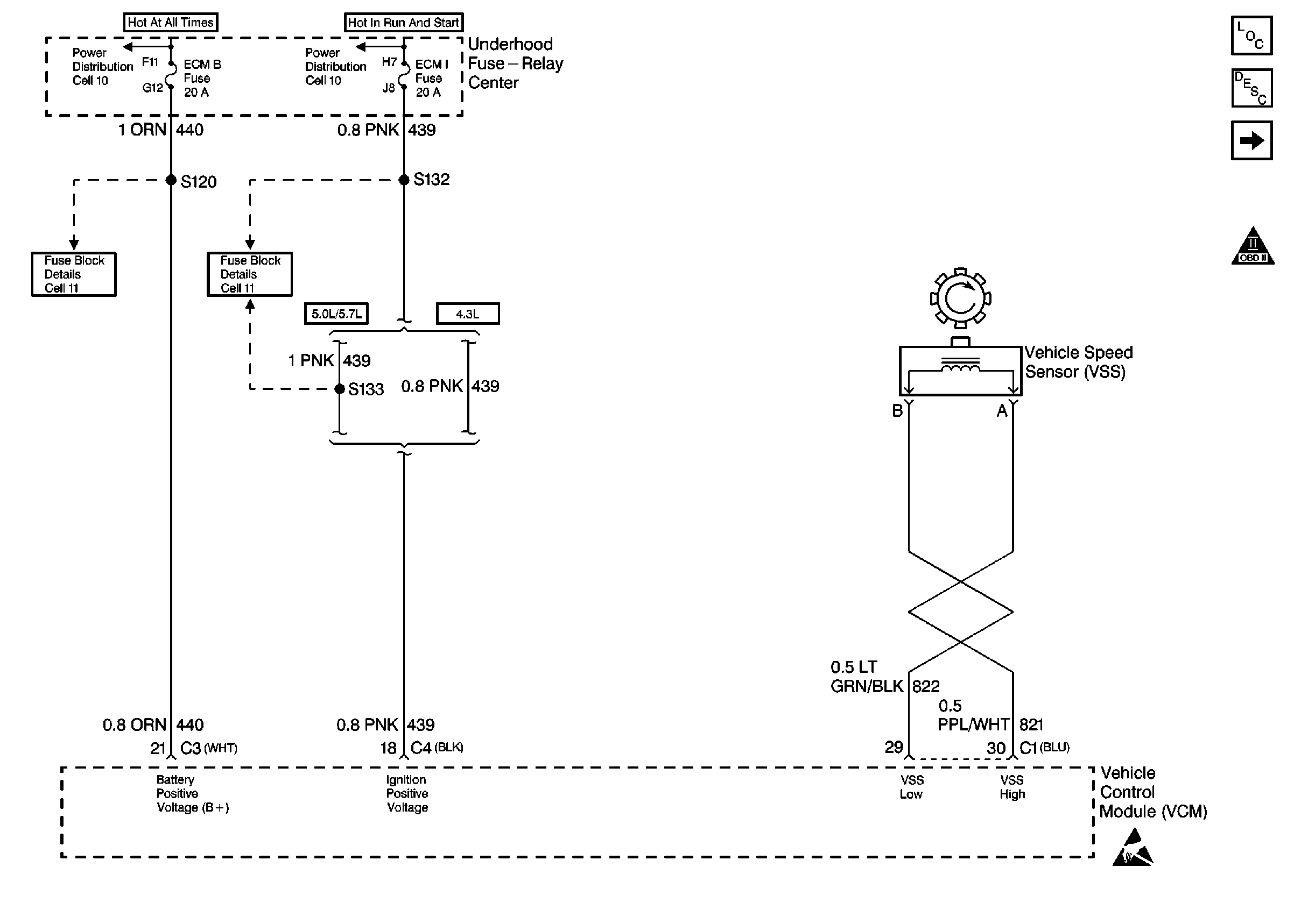
🢒 PWR and VSS
PWR and VSS
PWR and VSS
Automatic Transmission Components
OBD II Symbol Description Notice
Information Sensors 5.7L, 7.4L
Solenoid, TCC and Stoplamp Controls