GM Service Manual Online
For 1990-2009 cars only
Makes
🢒
Chevrolet
🢒
1997
🢒
Express
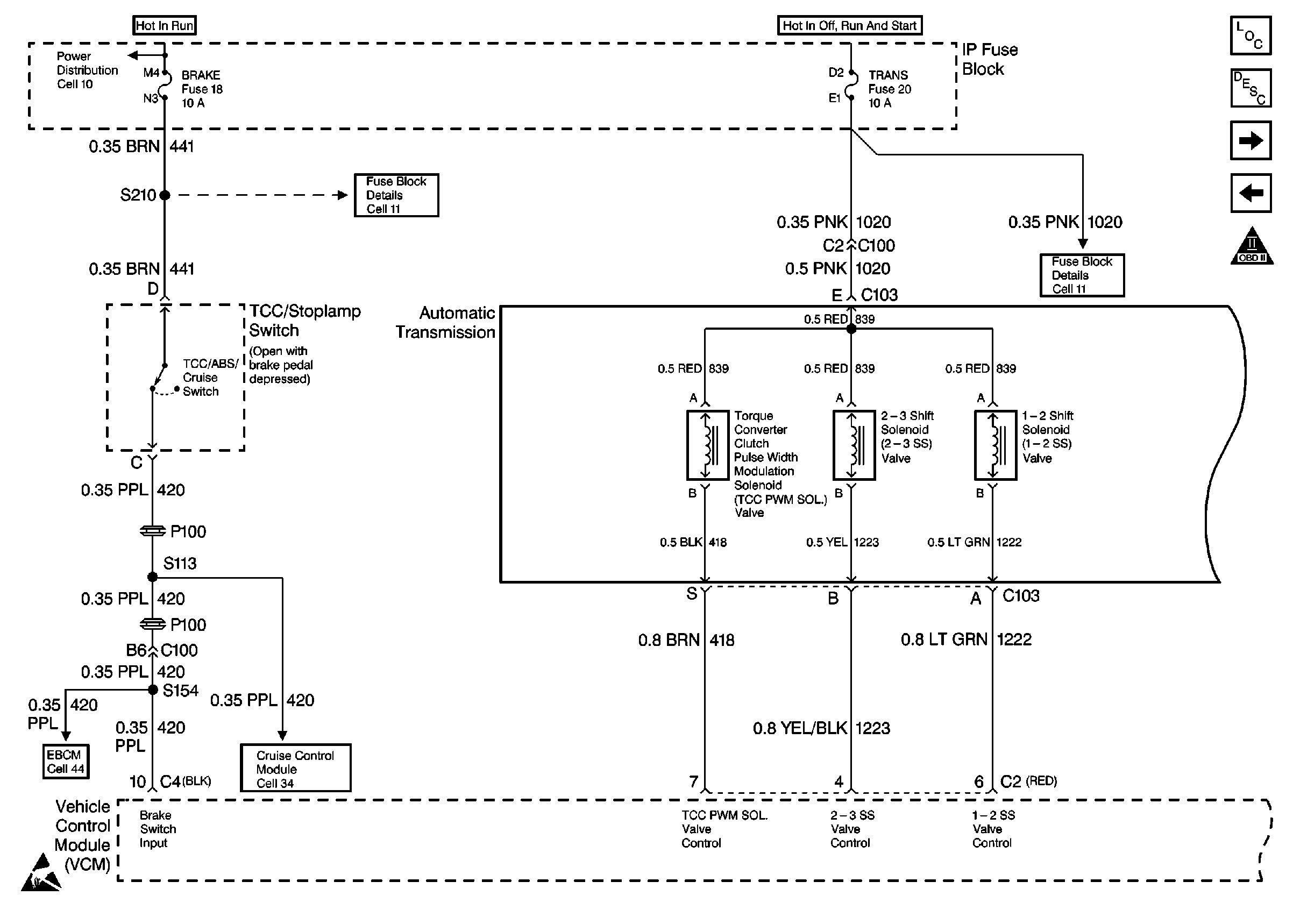
🢒 Solenoid, TCC and Stoplamp Controls
Solenoid, TCC and Stoplamp Controls
Solenoid, TCC and Stoplamp Controls
Automatic Transmission Components Gas Engines
Sensor, Solenoid and GND Controls
OBD II Symbol Description Notice
Information Sensors 5.7L, 7.4L
PWR and VSS Controls