GM Service Manual Online
For 1990-2009 cars only
Makes
🢒
Chevrolet
🢒
1998
🢒
Express
🢒
Body and Accessories
🢒
Instrument Panel, Gauges, and Console
🢒 Audible Warnings Schematics
Figure
1:
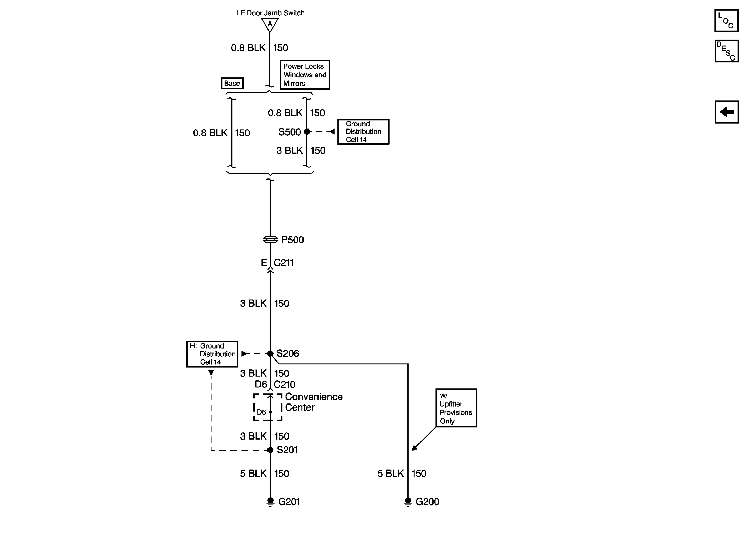
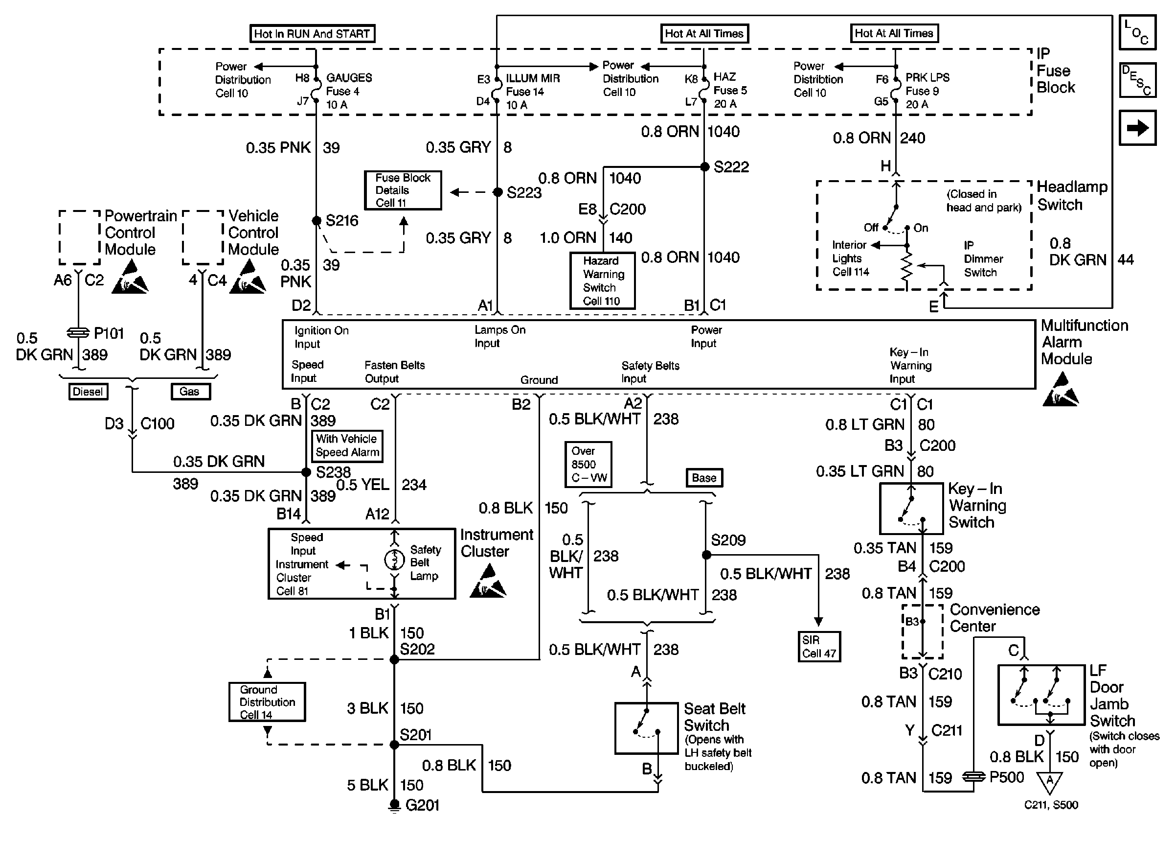
Cell 76: GAUGES, ILLUM, HAZARD, PARK LPS Fuses; Multi-Function Alarm Module; Left Front Door Jamb Switch; G201
Lighting Systems Components
Cell 76: G200
Power Distribution Schematics
Power Distribution Schematics
Power Distribution Schematics
Fuse Block Schematics
Exterior Lights Schematics
Interior Lights Schematics
Handling ESD Sensitive Parts Notice
Handling ESD Sensitive Parts Notice
Handling ESD Sensitive Parts Notice
Instrument Cluster: Analog Schematics
Ground Distribution Schematics
Handling ESD Sensitive Parts Notice
Cell 76: G200
Figure
2:
Cell 76: G200
Lighting Systems Components
Cell 76: GAUGES, ILLUM, HAZARD, PARK LPS Fuses; Multi-Function Alarm ModUle; Left Front Door Jamb Switch; G201
Cell 76: GAUGES, ILLUM, HAZARD, PARK LPS Fuses; Multi-Function Alarm ModUle; Left Front Door Jamb Switch; G201
Ground Distribution Schematics
Ground Distribution Schematics