GM Service Manual Online
For 1990-2009 cars only
Makes
🢒
Chevrolet
🢒
1998
🢒
Express
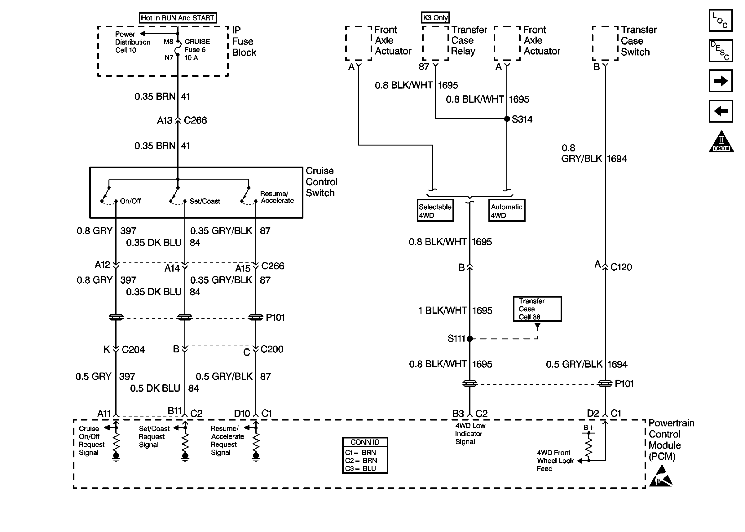
🢒 4WD and Cruise Controls
4WD and Cruise Controls
4WD and Cruise Controls
Cell 10: IGN B Fuse and Ignition Switch
Powertrain Control Module Connector End Views
Handling ESD Sensitive Parts Notice
OBD II Symbol Description Notice
EGR, MAF and Accelerator Pedal Controls
A/C Controls