GM Service Manual Online
For 1990-2009 cars only
Makes
🢒
Chevrolet
🢒
1998
🢒
Express
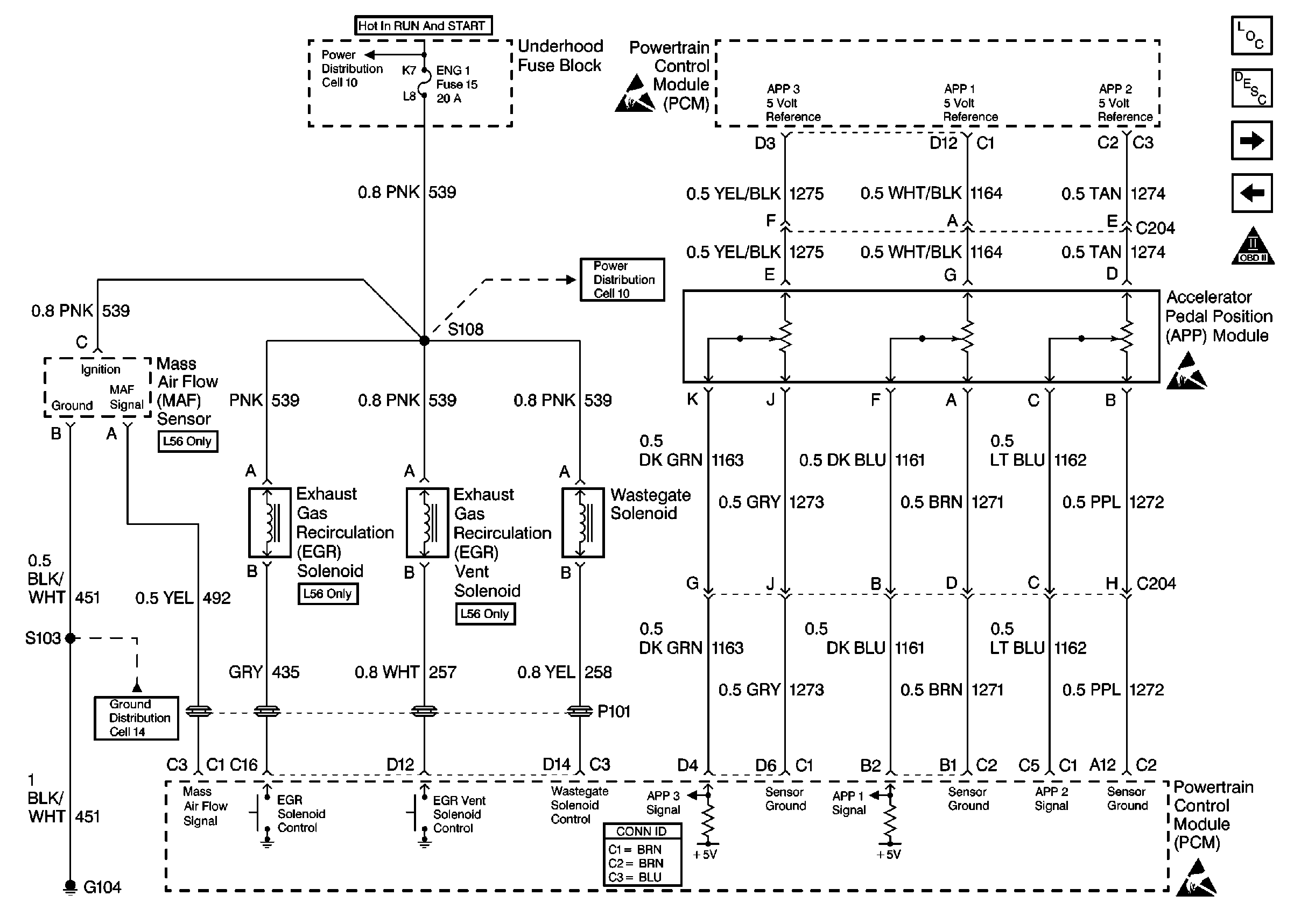
🢒 EGR, MAF and Accelerator Pedal Controls
EGR, MAF and Accelerator Pedal Controls
EGR, MAF and Accelerator Pedal Controls
Cell 10: Battery, and Underhood Fuse Block
Cell 10: ENG-1 Fuse
Cell 11: G104 Diesel
Powertrain Control Module Connector End Views
Handling ESD Sensitive Parts Notice
Handling ESD Sensitive Parts Notice
Handling ESD Sensitive Parts Notice
OBD II Symbol Description Notice
Transmission and TCC Controls
4WD and Cruise Controls