GM Service Manual Online
For 1990-2009 cars only
Makes
🢒
Chevrolet
🢒
1998
🢒
Express
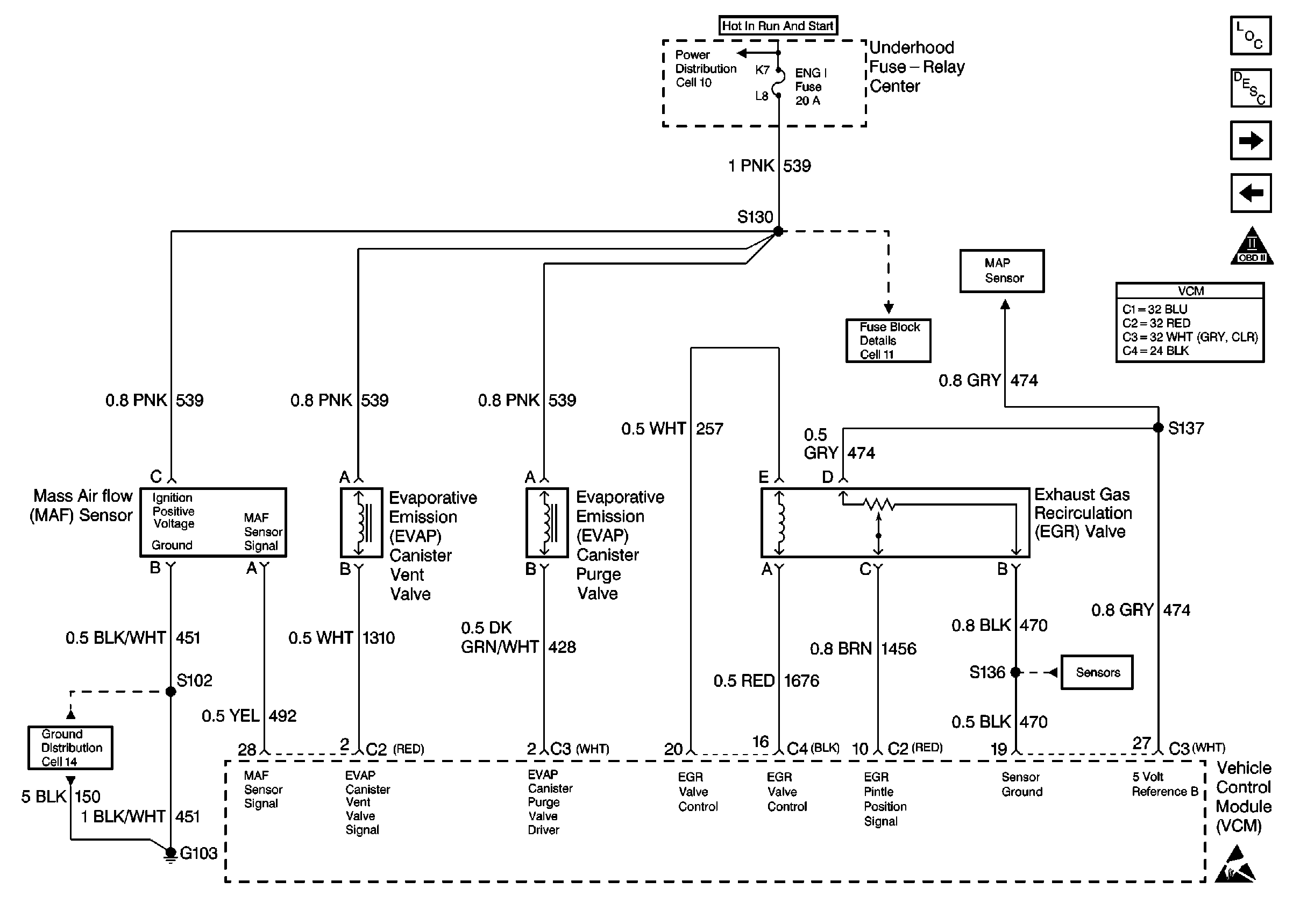
🢒 Cell 21: EGR and EVAP Controls
Cell 21: EGR and EVAP Controls
Cell 21: EGR and EVAP Controls
Engine Controls Components
Information Sensors/Switches Description
Cell 21: Oxygen Sensor Controls 5.0L
Cell 21: Sensor Controls
OBD II Symbol Description Notice
VCM Connector End Views
Cell 21: Sensor Controls
Cell 21: 4L60-E Transmission Switch Controls
Handling ESD Sensitive Parts Notice
Power Distribution Schematics
Fuse Block Schematics
Ground Distribution Schematics