GM Service Manual Online
For 1990-2009 cars only
Makes
🢒
Chevrolet
🢒
1998
🢒
Express
🢒 Cell 21: Oxygen Sensor Controls 5.0L
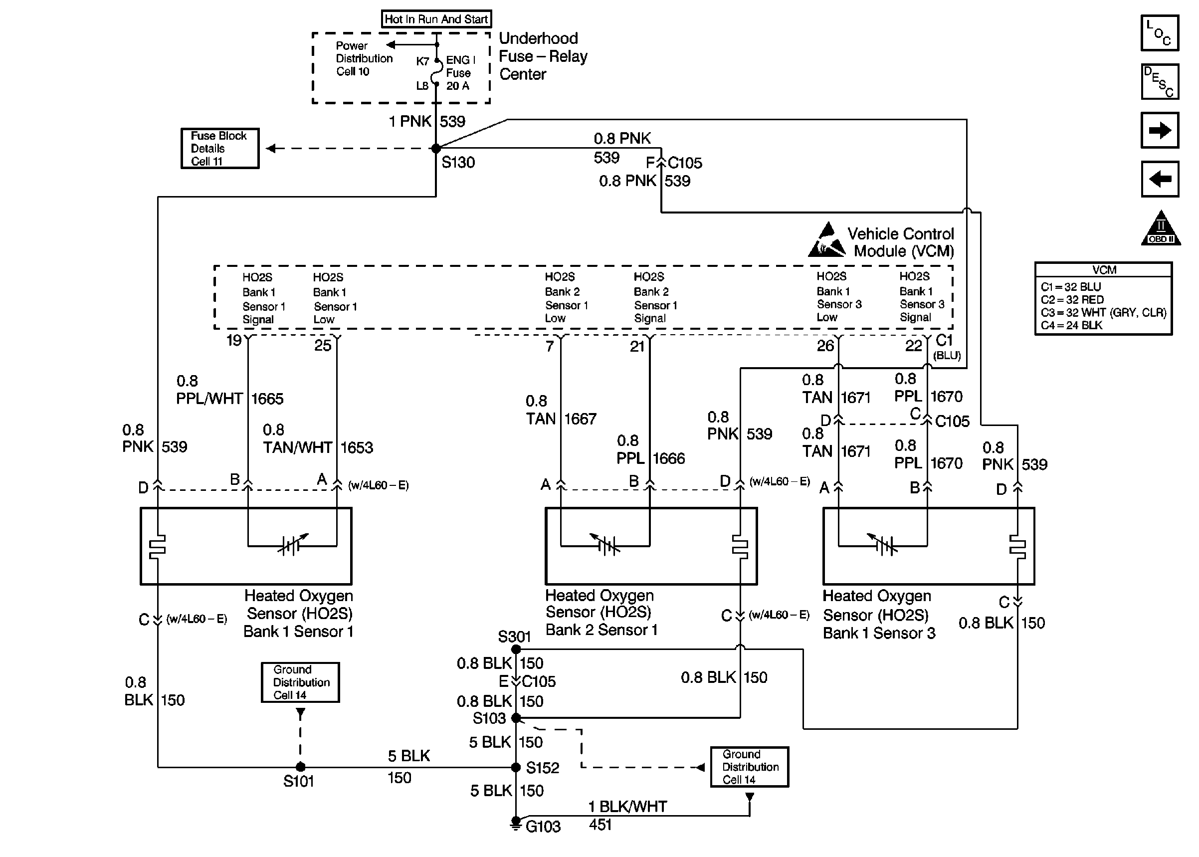
Cell 21: Oxygen Sensor Controls 5.0L
Cell 21: Oxygen Sensor Controls 5.0L
Engine Controls Components
Information Sensors/Switches Description
Cell 21: Oxygen Sensor Controls 5.7L
Cell 21: EGR and EVAP Controls
OBD II Symbol Description Notice
VCM Connector End Views
Handling ESD Sensitive Parts Notice
Power Distribution Schematics
Fuse Block Schematics
Ground Distribution Schematics
Ground Distribution Schematics