GM Service Manual Online
For 1990-2009 cars only
Makes
🢒
Chevrolet
🢒
1998
🢒
Express
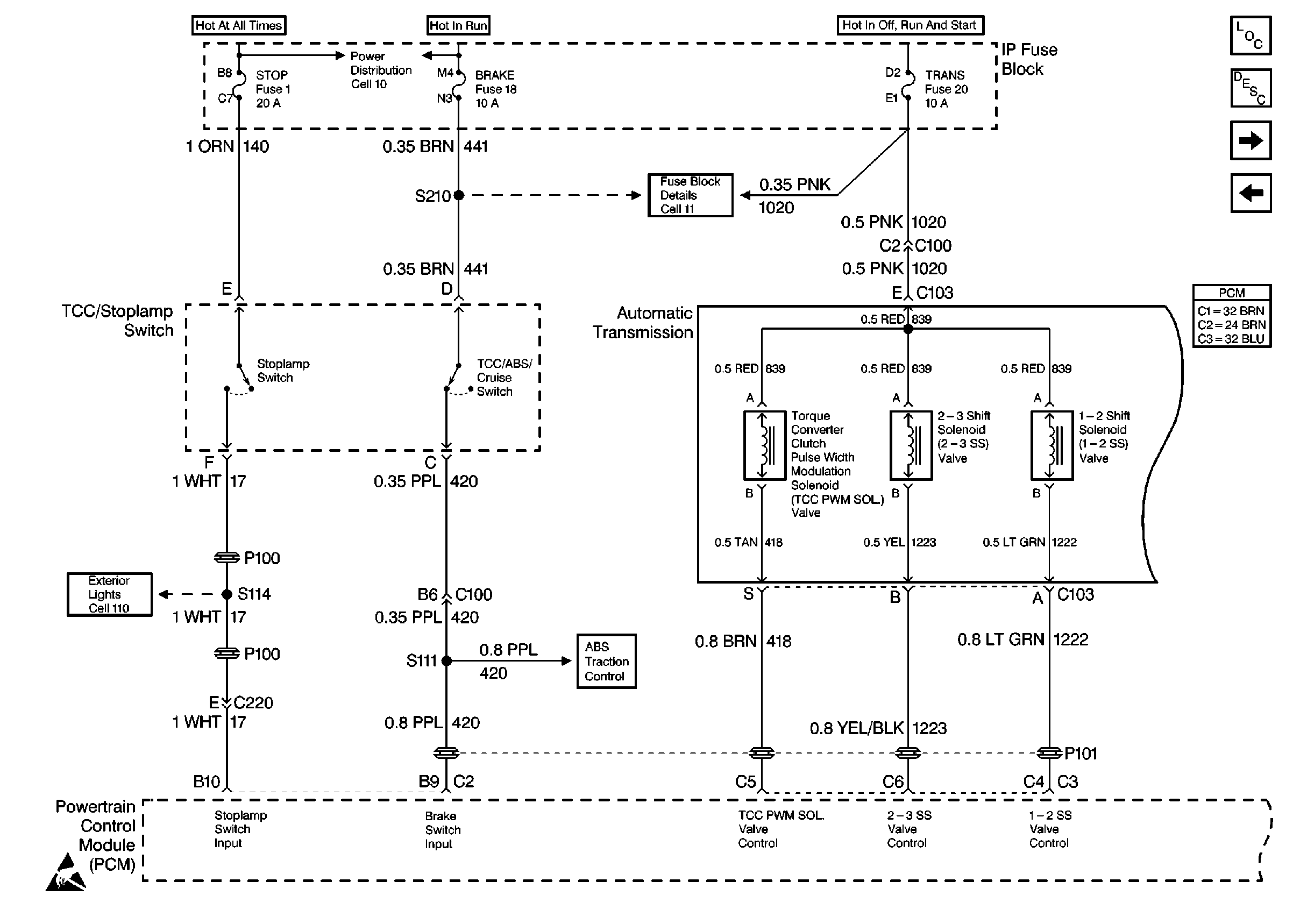
🢒 Cell 22: 4L80-E Solenoid Controls
Cell 22: 4L80-E Solenoid Controls
Cell 22: 4L80-E Solenoid Controls
Engine Controls Components
Information Sensors/Switches Description
Cell 22: 4L80-E Switch and ISS Controls
Powertrain Control Module Connector End Views
Handling ESD Sensitive Parts Notice
Cell 22: VSS Controls
Power Distribution Schematics
Fuse Block Schematics
Exterior Lights Schematics
Antilock Brake System Schematics