GM Service Manual Online
For 1990-2009 cars only
Makes
🢒
Chevrolet
🢒
1998
🢒
Express
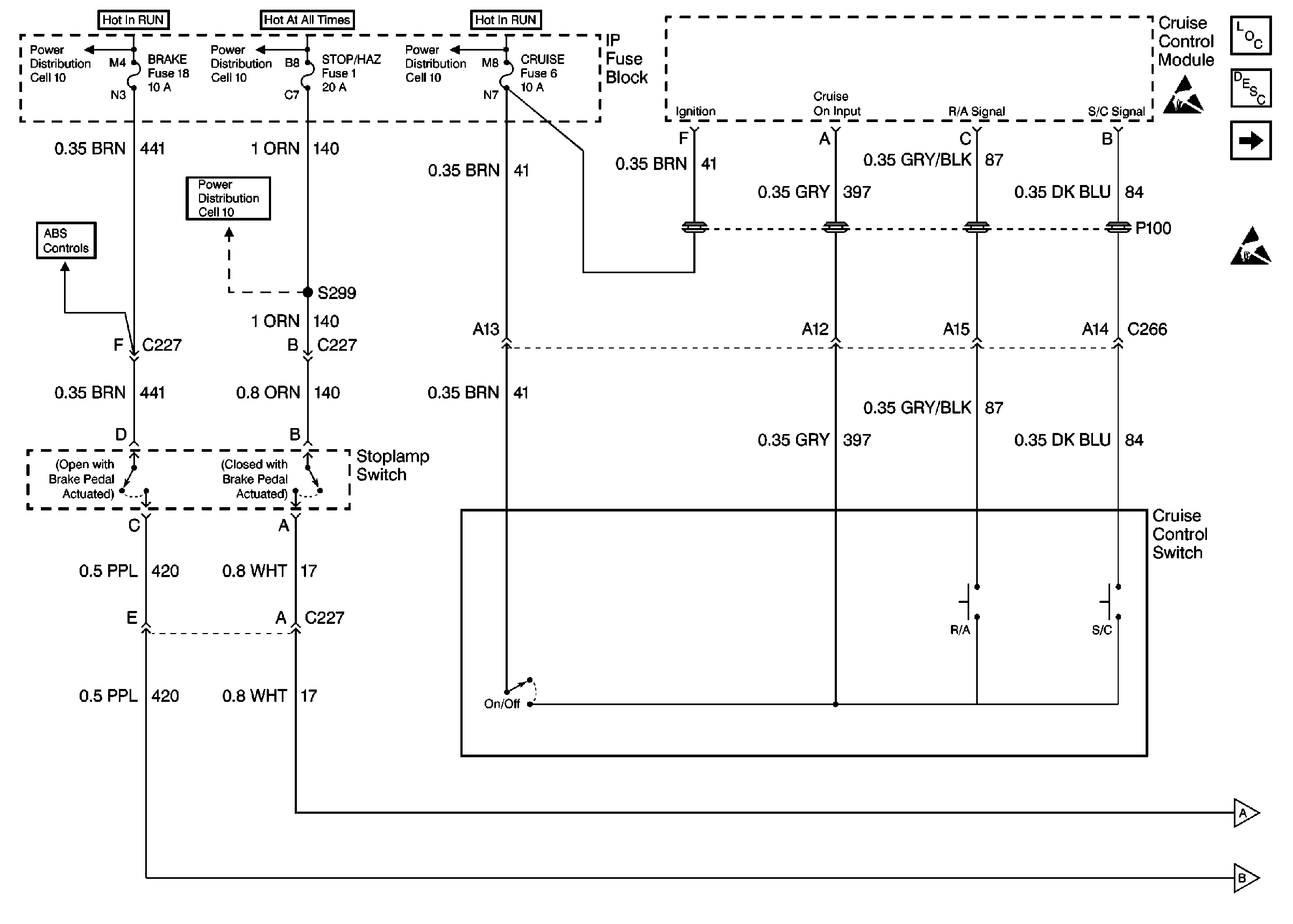
🢒 Cell 34: BRAKE, STOP/HAZ, CRUISE Fuses (Gas) (1 of 2)
Cell 34: BRAKE, STOP/HAZ, CRUISE Fuses (Gas) (1 of 2)
Cell 34: BRAKE, STOP/HAZ, CRUISE Fuses (Gas) (1 of 2)
Cell 34: Cruise Control Module, VCM (Gas) (2 of 2)
Cell 34: Cruise Control Module, VCM (Gas) (2 of 2)
Cell 34: Cruise Control Module, VCM (Gas) (2 of 2)
Cell 10: STOP/HAZ, RADIO BATT, and AUX PWR Fuses
Handling ESD Sensitive Parts Notice
Handling ESD Sensitive Parts Notice
Cruise Control Components
Cruise Control System Description Gas
ABS Schematics
Cell 10: CRUISE and 4WD Fuses
Cell 10: STOP/HAZ, RADIO BATT, and AUX PWR Fuses
Cell 10: AIR BAG, TURN B/U, CRANK, and TRANS Fuses