GM Service Manual Online
For 1990-2009 cars only
Makes
🢒
Chevrolet
🢒
1998
🢒
Express
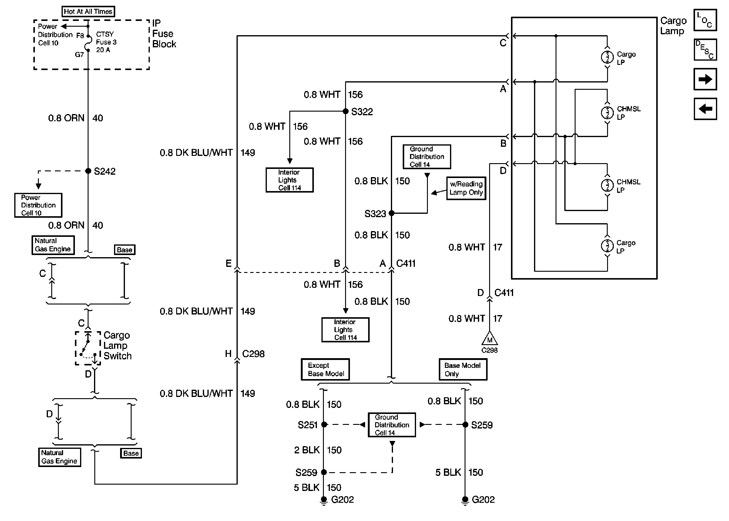
🢒 Cell 110: CTSY Fuse 3, Cargo Lamp (Pickup Only)
Cell 110: CTSY Fuse 3, Cargo Lamp (Pickup Only)
Cell 110: CTSY Fuse 3, Cargo Lamp (Pickup Only)
Exterior Lights Circuit Description
Cell 110: Trailer Tow
Lighting Systems Components
Cell 110: AUX Fuse 22, Center High Mount Stop Lamp
Cell 14: G202 (4 of 4)
Cell 110: STOP/HAZ Fuse 1, Turn/Hazard Switch, Turn/Hazard Flasher
Cell 14: G202 (2 of 4)
Cell 10: T CASE, and CTSY Fuses (1 of 2)
Cell 10: LIGHTING and BATTERY Fuses