GM Service Manual Online
For 1990-2009 cars only
Makes
🢒
Chevrolet
🢒
1998
🢒
Express
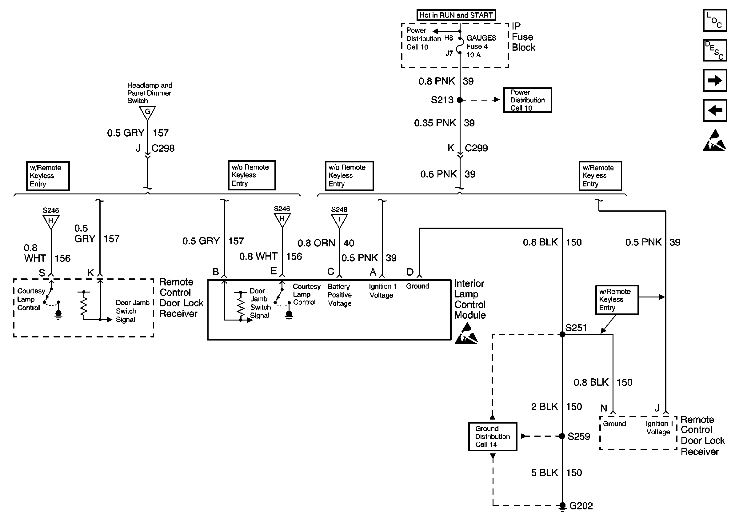
🢒 Cell 114: GAUGES Fuse 4, Interior Lamp Control Module
Cell 114: GAUGES Fuse 4, Interior Lamp Control Module
Cell 114: GAUGES Fuse 4, Interior Lamp Control Module
Interior Lights Circuit Description
Cell 114: Rear Dome and Reading Lamps, Door Courtesy Lamps (Suburban/Utility/Crew Cab w/ Auxiliary Lighting)
Cell 114: CTSY Fuse 3, Door Jamb Switches
Handling ESD Sensitive Parts Notice
Cell 14: G202 (1 of 4)
Lighting Systems Components
Cell 10: GAUGES Fuse
Cell 10: IGN A Fuse and Ignition Switch
Handling ESD Sensitive Parts Notice
Cell 114: Rear Dome and Reading Lamps, Door Courtesy Lamps (Suburban/Utility/Crew Cab w/ Auxiliary Lighting)
Cell 114: Rear Dome and Reading Lamps, Door Courtesy Lamps (Suburban/Utility/Crew Cab w/ Auxiliary Lighting)
Cell 114: CTSY Fuse 3, Door Jamb Switches