GM Service Manual Online
For 1990-2009 cars only
Makes
🢒
Chevrolet
🢒
1998
🢒
Express
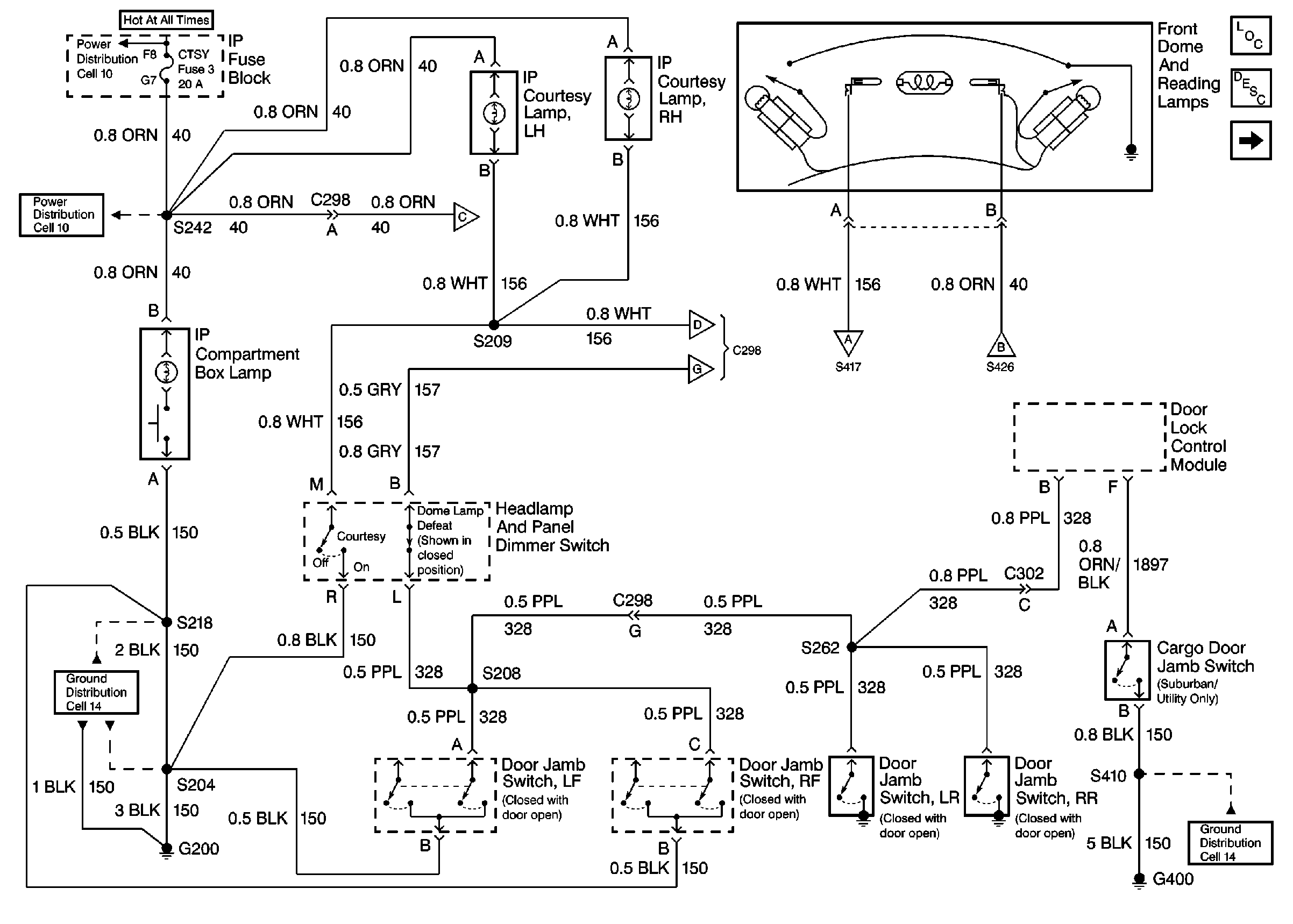
🢒 Cell 114: CTSY Fuse 3, Door Jamb Switches
Cell 114: CTSY Fuse 3, Door Jamb Switches
Cell 114: CTSY Fuse 3, Door Jamb Switches
Lighting Systems Components
Interior Lights Circuit Description
Cell 114: GAUGES Fuse 4, Interior Lamp Control Module
Cell 14: G400
Cell 114: Rear Dome and Reading Lamps, Door Courtesy Lamps (Suburban/Utility/Crew Cab w/ Auxiliary Lighting)
Cell 114: Rear Dome and Reading Lamps, Door Courtesy Lamps (Suburban/Utility/Crew Cab w/ Auxiliary Lighting)
Cell 114: Rear Dome and Reading Lamps, Door Courtesy Lamps (Suburban/Utility/Crew Cab w/ Auxiliary Lighting)
Cell 114: GAUGES Fuse 4, Interior Lamp Control Module
Cell 114: Rear Dome and Reading Lamps, Door Courtesy Lamps (Suburban/Utility/Crew Cab w/ Auxiliary Lighting)
Cell 10: T CASE, and CTSY Fuses (1 of 2)
Cell 10: T CASE, and CTSY Fuses (1 of 2)
Cell 14: G200 (4 of 4)