GM Service Manual Online
For 1990-2009 cars only
Makes
🢒
Chevrolet
🢒
1998
🢒
Express
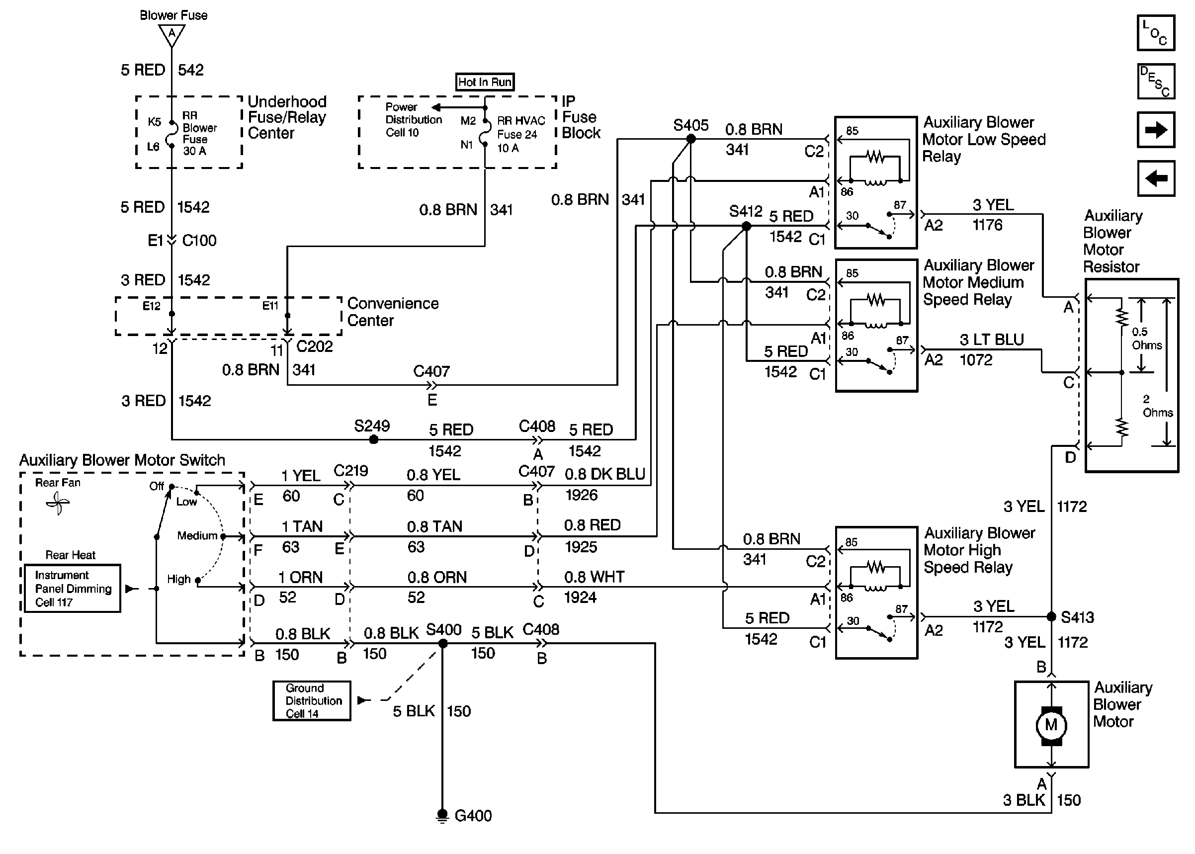
🢒 Cell 60: RR BLOWER and RR HVAC Fuses, Auxiliary Blower Motor, G400
Cell 60: RR BLOWER and RR HVAC Fuses, Auxiliary Blower Motor, G400
Cell 60: RR BLOWER and RR HVAC Fuses, Auxiliary Blower Motor, G400
Heater Blower Controls Components
Heater Blower Controls Circuit Description
Cell 60: RR BLOWER and RR HVAC Fuses, Auxiliary Blower Motor, G301,School Bus Option
Cell 60: BLOWER and HTR-A/C Fuses, Blower Motor, G103
Cell 60: BLOWER and HTR-A/C Fuses, Blower Motor, G103
Cell 10: Ignition Switch, RR BLOWER, RR HVAC, BRAKE, HTR AC, CRUISE, RADIO, WIPER, PWR WDO, TRANS, CRANK Fuses
Cell 117: ILLUM and PARK LPS Fuses, G400
Ground Distribution Schematics Domestic