GM Service Manual Online
For 1990-2009 cars only
Makes
🢒
Chevrolet
🢒
1998
🢒
Express
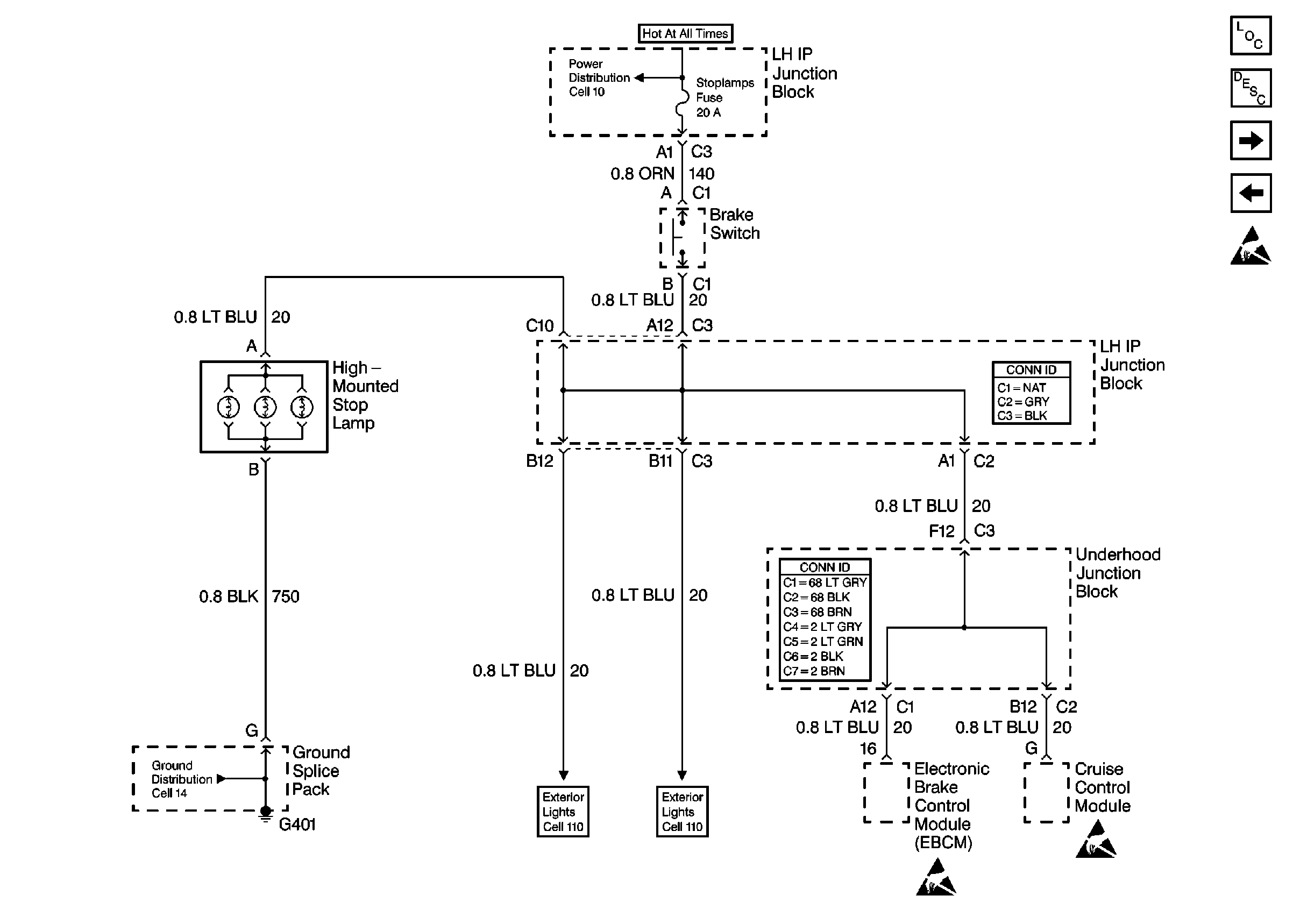
🢒 Brake Switch and High Mounted Stop Lamp
Brake Switch and High Mounted Stop Lamp
Brake Switch and High Mounted Stop Lamp
Lighting Systems Components
Exterior Lights Circuit Description
Cell 110: Tail/Stop Lamps
Cell 110: Front Park/Turn and Marker Lamps
Handling Electrostatic Discharge Sensitive Parts Notice
Power Distribution Schematics
Ground Distribution Schematics
Handling Electrostatic Discharge Sensitive Parts Notice
Handling Electrostatic Discharge Sensitive Parts Notice
Cell 110: Tail/Stop Lamps
Cell 110: Tail/Stop Lamps