GM Service Manual Online
For 1990-2009 cars only
Makes
🢒
Chevrolet
🢒
1998
🢒
Express
🢒 Cell 150: Oldsmobile
Cell 150: Oldsmobile
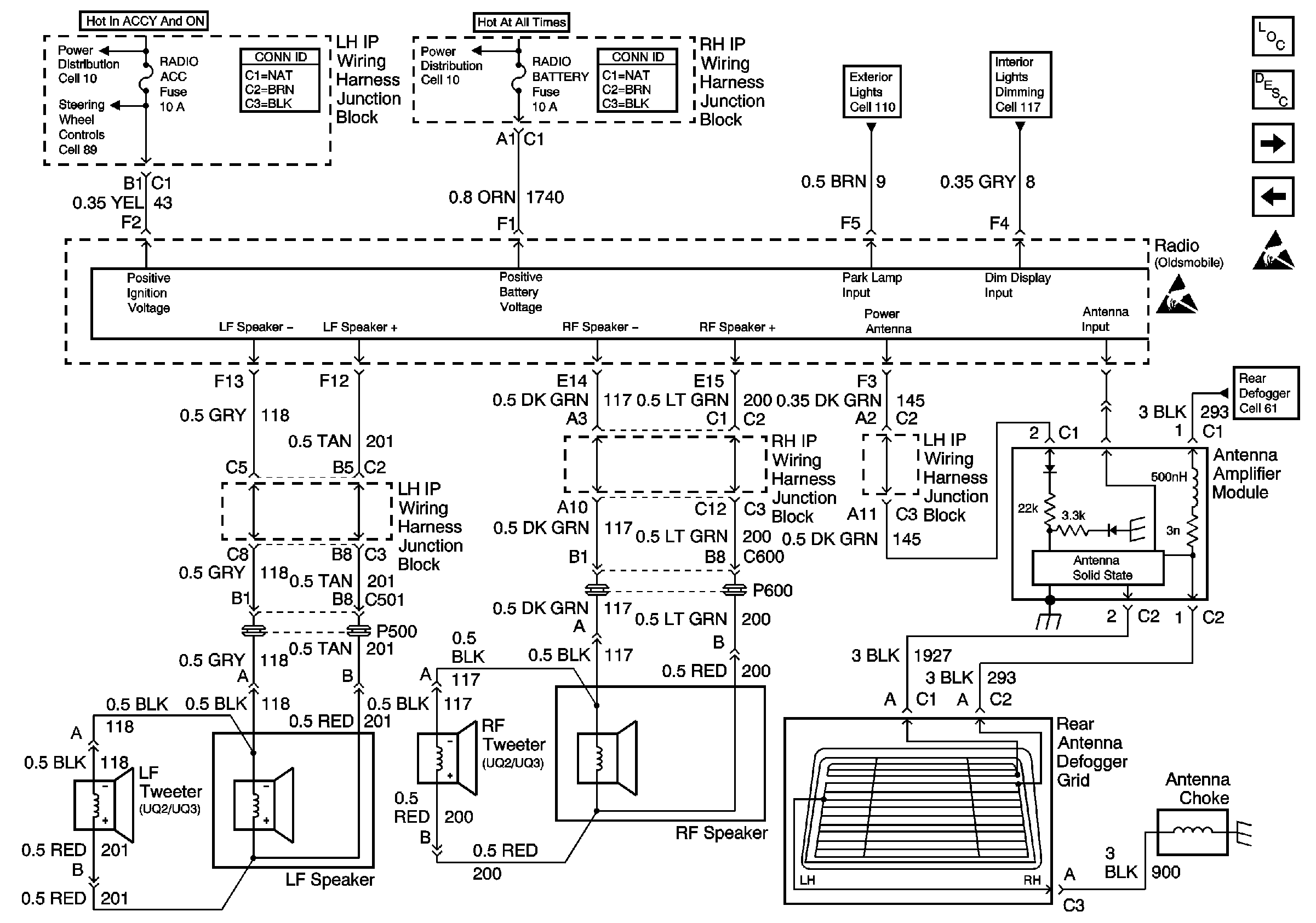
Power, Front Speakers, and Antenna -- Oldsmobile
Entertainment Components
Radio/Audio System Circuit Description
Cassette Controls, Ground, and Rear Speakers
Defogger Schematics
Interior Lights Dimming Schematics
Exterior Lights Schematics
Power Distribution Schematics
Power Distribution Schematics
Handling ESD Sensitive Parts Notice