GM Service Manual Online
For 1990-2009 cars only
Makes
🢒
Chevrolet
🢒
1998
🢒
Express
🢒 ABS Schematics 99C/K
ABS Schematics 99C/K
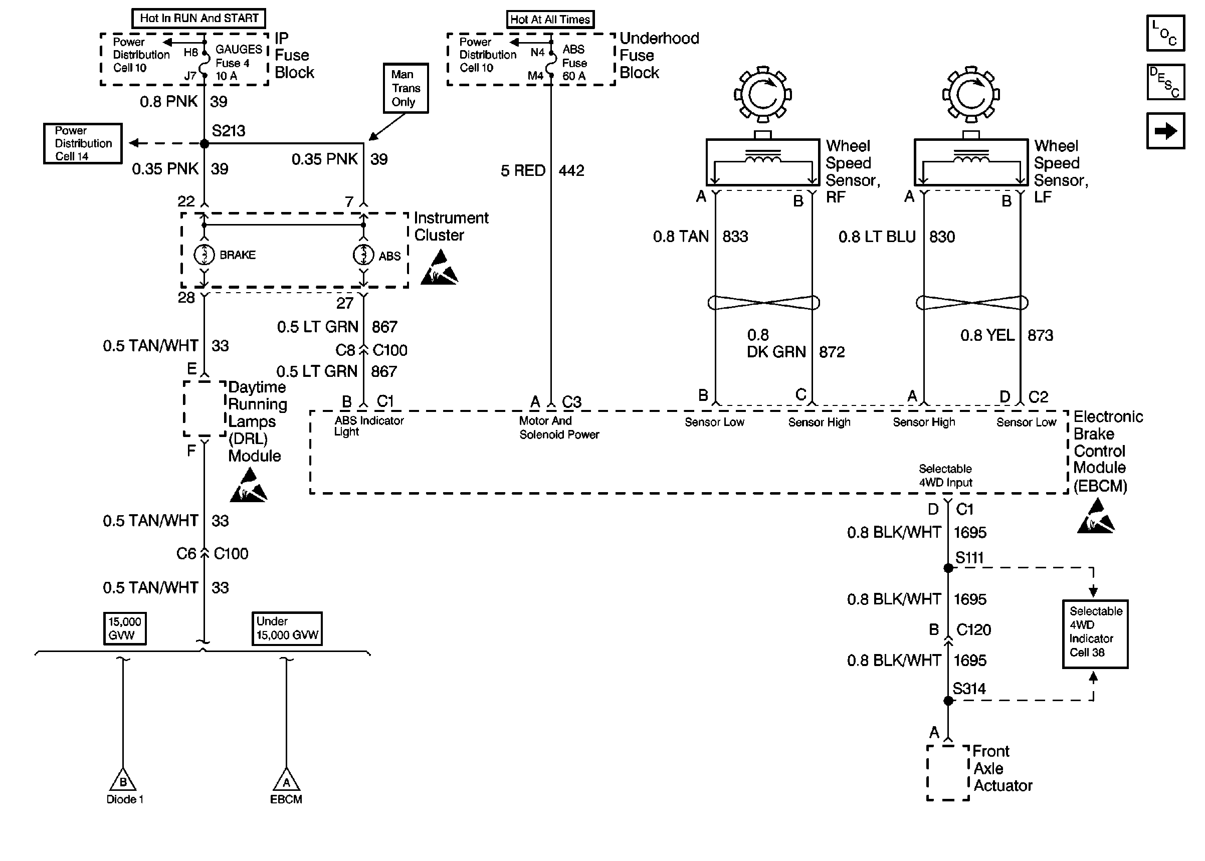
Indicator Control and Wheel Speed Sensors (common)
ABS Components
ABS Description
ABS Schematics
Cell 10: IGN A Fuse and Ignition Switch
Cell 10: GAUGES Fuse
Cell 10: Battery, and Underhood Fuse Block
Handling Electrostatic Discharge Sensitive Parts Notice
Handling Electrostatic Discharge Sensitive Parts Notice
Handling Electrostatic Discharge Sensitive Parts Notice
Front Axle Actuator
ABS Schematics
ABS Schematics 99 C/K