GM Service Manual Online
For 1990-2009 cars only
Makes
🢒
Chevrolet
🢒
1998
🢒
Express
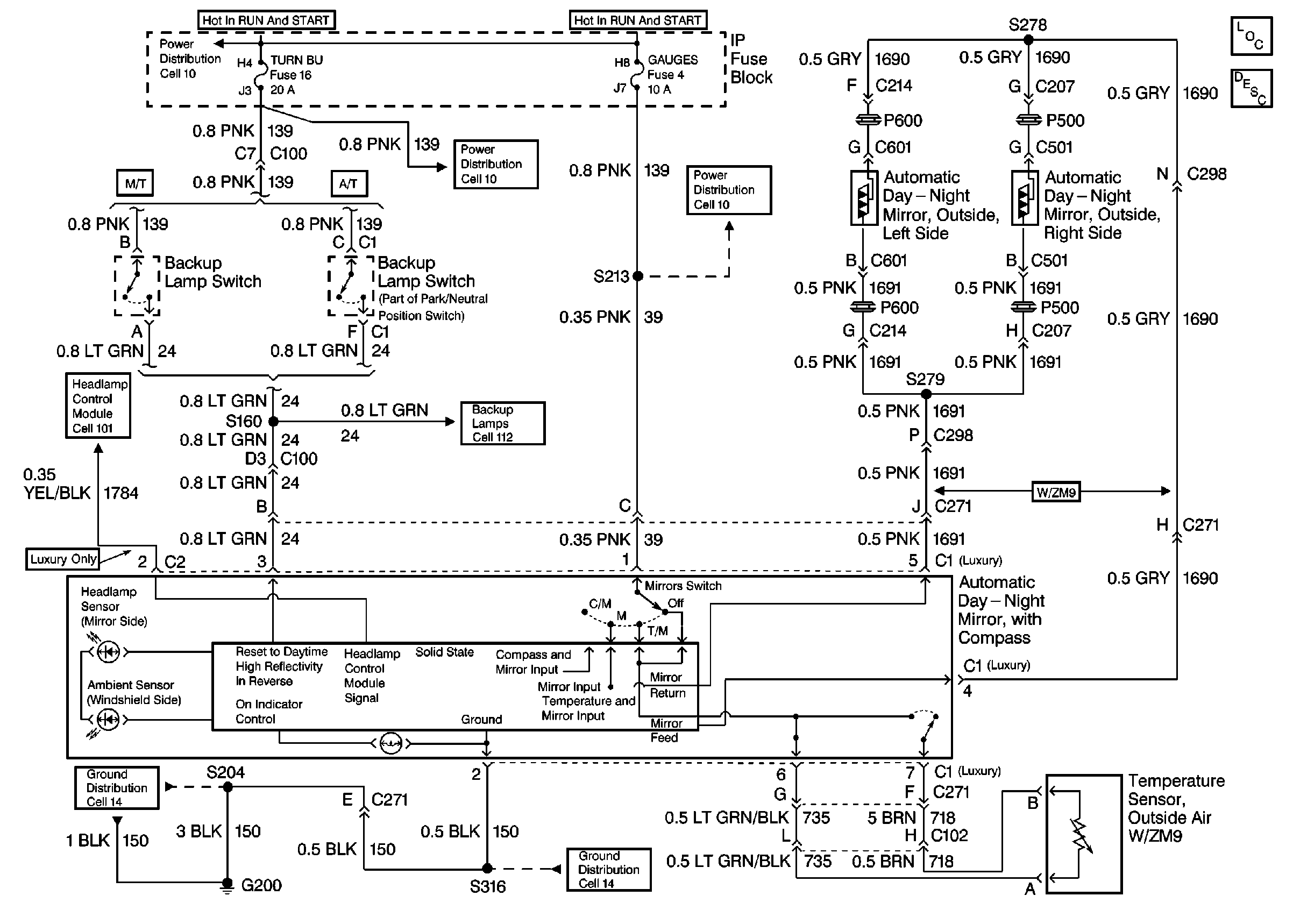
🢒 Automatic Day-Night Mirrors, Temperature Sensor and G200
Automatic Day-Night Mirrors, Temperature Sensor and G200
Automatic Day-Night Mirrors, Temperature Sensor and G200
Stationary Windows Components
Automatic Day-Night Mirrors Circuit Description
Cell 14: G200 (3 of 4)
Cell 112: Backup Lamps, Backup Switch
Cell 10: GAUGES Fuse
Cell 101: DRL Module, DRL Relay, Headlamps
Cell 14: G200 (1 of 4)