GM Service Manual Online
For 1990-2009 cars only
Makes
🢒
Chevrolet
🢒
1998
🢒
Express
🢒 Generator Controls (Diesel)
Generator Controls (Diesel)
Generator Controls (Diesel)
Engine Electrical Components
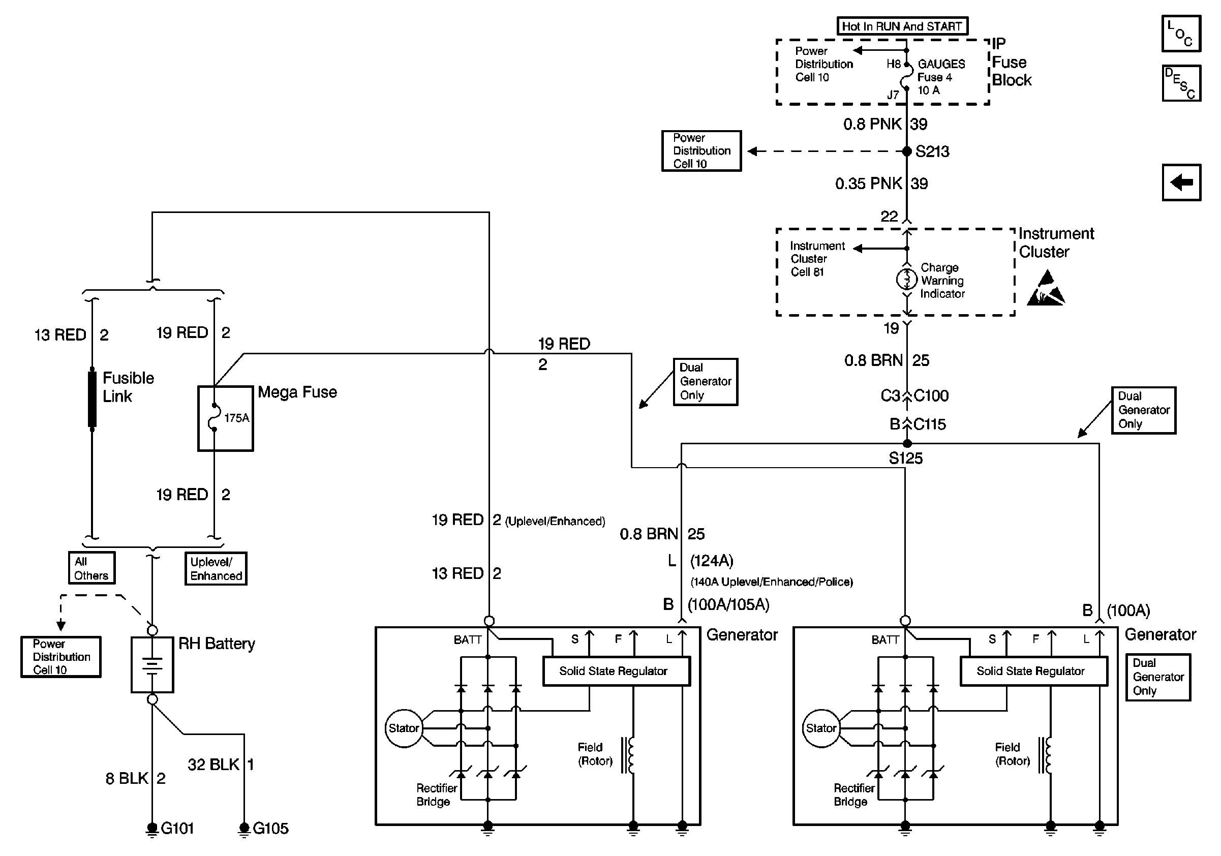
Charging System Circuit Description
Generator Controls (Gas)
Cell 10: IGN A Fuse and Ignition Switch
Cell 10: GAUGES Fuse
Gauges
Handling Electrostatic Discharge Sensitive Parts Notice
Cell 10: Battery, and Underhood Fuse Block