GM Service Manual Online
For 1990-2009 cars only
Makes
🢒
Chevrolet
🢒
1998
🢒
Express
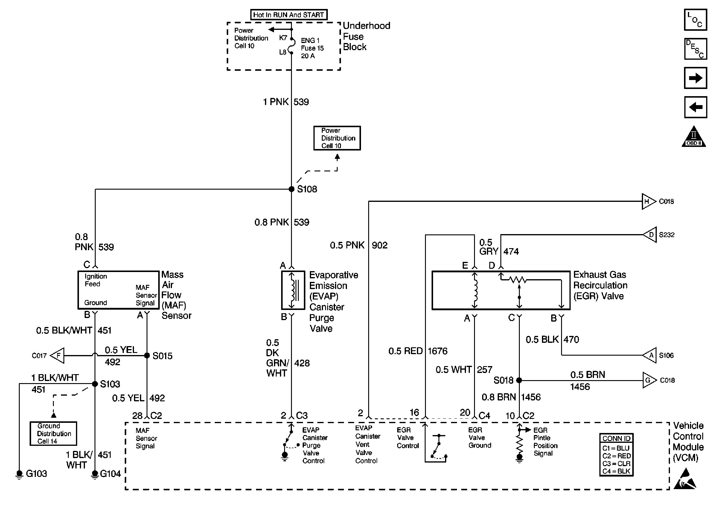
🢒 Evap and EGR Controls
Evap and EGR Controls
Evap and EGR Controls
OBD II Symbol Description Notice
Alternative Fuel Connector (1 of 2)
VCM and Engine Sensors
VCM and Engine Sensors
VCM Connector End Views
Handling ESD Sensitive Parts Notice
Cell 10: IGN A Fuse and Ignition Switch
Cell 10: ENG-1 Fuse
Cell 14: G103 and G104
Transmission Controls
VSS and Cruise Control