GM Service Manual Online
For 1990-2009 cars only
Makes
🢒
Chevrolet
🢒
1998
🢒
Express
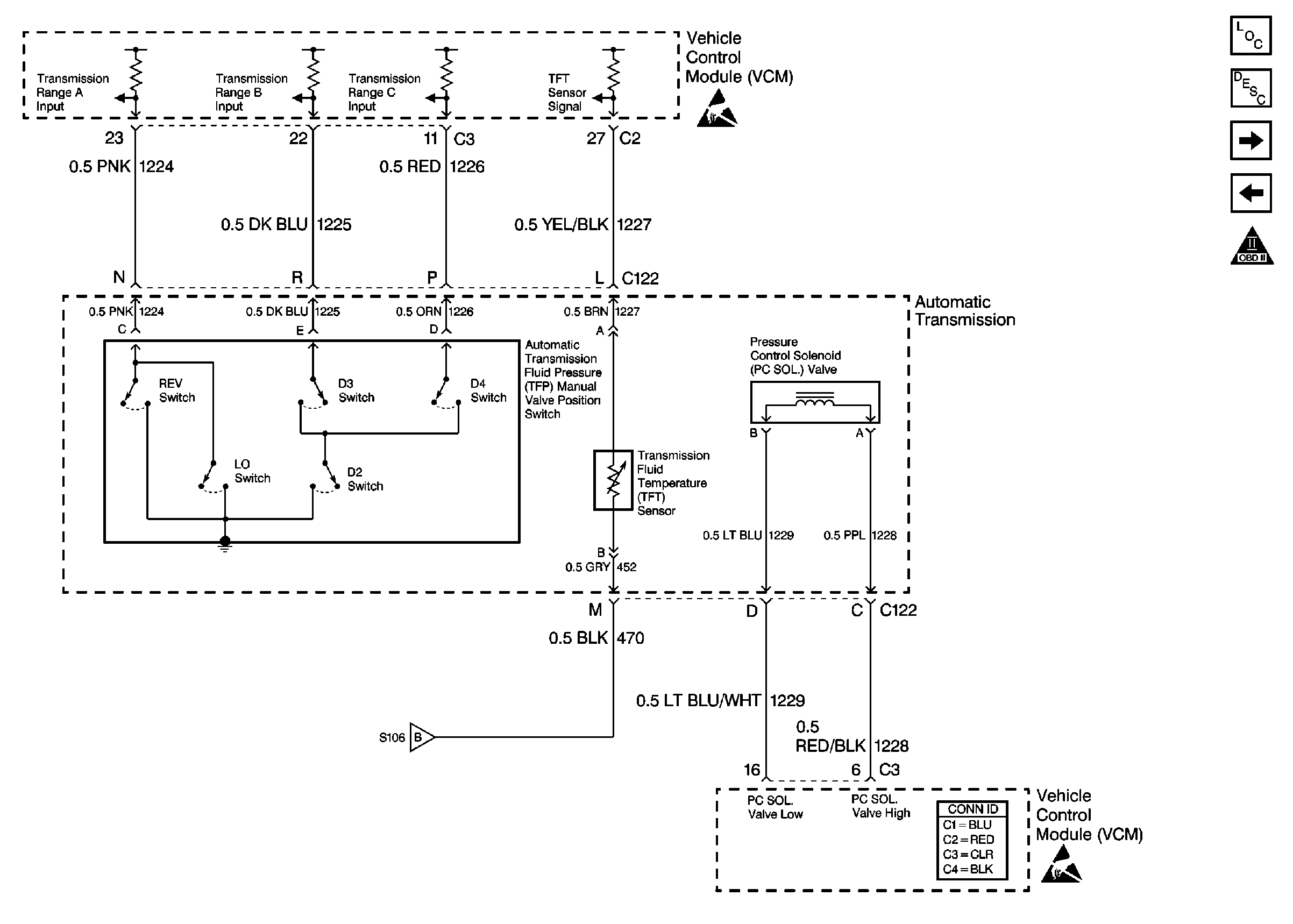
🢒 Transmission Controls
Transmission Controls
Transmission Controls
OBD II Symbol Description Notice
VCM Connector End Views
Handling ESD Sensitive Parts Notice
VCM and Engine Sensors
Handling ESD Sensitive Parts Notice
AC Controls
Evap and EGR Controls