GM Service Manual Online
For 1990-2009 cars only

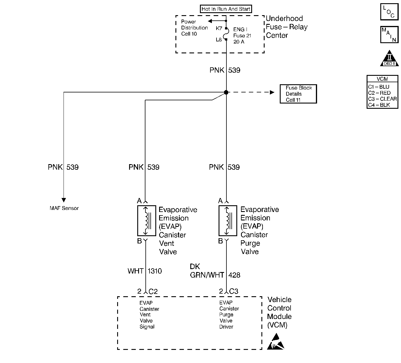
Object Number: 240832  Size: LF
Evap Canister and Fuel Tank - 98 G Figure
Cell 21: EGR and EVAP Controls
OBD II Symbol Description Notice
Handling ESD Sensitive Parts Notice

Circuit Description

The evaporative system includes the following components:

    • The Fuel Tank
    • The EVAP Vent Valve
    • The Fuel Tank Pressure sensor
    • The Fuel Pipe and hoses
    • The Vapor Lines
    • The Fuel Cap
    • The EVAP Canister
    • The Purge Line
    • The EVAP Purge Solenoid

The following items detect a restricted or blocked EVAP Canister vent path:

    • Drawing a vacuum into the EVAP system
    • Turning OFF the EVAP Vent Valve and the EVAP Purge Solenoid (EVAP Vent Valve Open, the EVAP Purge Solenoid PWM 0%)
    • Monitoring the Fuel Tank Pressure sensor input

With the EVAP Vent Valve open, any vacuum in the system should decrease quickly unless the vent path is blocked. The following conditions can cause a blockage:

    • A malfunctioning EVAP Vent Valve (stuck closed)
    • A plugged kinked or pinched vent hose
    • A shorted EVAP Vent Valve Driver circuit
    • A plugged EVAP Canister.

If any of these conditions are present, a DTC P0446 set.

Conditions for Running the DTC

    • No active MAP sensor DTCs
    • No active TP sensor DTCs
    • No active VS DTCs
    • No active O2 sensor DTCs
    • No active ECT sensor DTCs
    • No active IAT sensor DTCs
    • DTC P0125 not active
    • The fuel level is between 12.5- 87 %
    • The system voltage is between 10-17 volts
    • The ECT is between 4-30°C(39-86°F)
    • The IAT is between 4-30°C(39-86°F)
    • The cold start temperature difference (ECT minus IAT) is less than
        1.5°C(35°F) when the IAT is greater than the ECT or
        8°C(46°F) when the ECT is greater than the IAT
    • The BARO is greater than 72 kPa
    • The change in fuel tank vacuum is less than 0.6 in. of H20, or the change in fuel level is less than 8 %
    • The fuel tank vacuum level remains above a calibrated value for a specified number of seconds

Conditions for Setting the DTC

The VCM fails to detect a drop in the EVAP system vacuum over a calibrated number of seconds with the vent solenoid open.

Action Taken When the DTC Sets

    • The VCM illuminates the MIL during the first key cycle in which the DTC sets.
    • The VCM stores the conditions which were present when the DTC sets as a Freeze Frame and Fail Records data.

Conditions for Clearing the MIL/DTC

    • The MIL will turn OFF after one ignition cycle in which the diagnostic runs without a fault.
    • The Freeze Frame information and the history DTC will clear after one ignition cycle in which the diagnostic runs without a fault.
    • A scan tool can clear the DTC(s).

Diagnostic Aids

Check for the following conditions:

    • A poor connection at the VCM: Inspect the harness connectors for the following conditions:
       - Backed out terminals
       - Improper mating
       - Broken locks
       - Improperly formed or damaged terminals
       - Poor terminal to wire connection.
    • A damaged harness: Inspect the wiring harness to the EVAP Vent Valve, EVAP Purge Solenoid and the Fuel Tank Pressure sensor for an intermittent open or short circuit.
    • A kinked, pinched or plugged vent hose. Verify that the vent hose between the EVAP Canister and the EVAP Vent Valve is not restricted.

Refer to Evaporative Emission Control System Diagnosis before starting repairs.

Reviewing the Fail Records vehicle mileage since the diagnostic test last failed may help determine how often the condition that caused the DTC to be set occurs. This may assist in diagnosing the condition.

Test Description

Number(s) below refer to the step number(s) on the Diagnostic Table.

  1. If the vacuum stored in the EVAP system is quickly released then an intermittent system restriction or failure of the EVAP Vent Valve or the EVAP Fuel Tank Pressure Sensor may have occurred.

  2. Checking the vapor canister and the EVAP Vent Valve for restriction.

  3. An EVAP Pressure sensor that does not correctly respond to pressure (or vacuum) will cause this DTC to set. The EVAP Pressure Sensor monitors a range from 7.5 in. H2O of pressure to -17.5 in. H2O of pressure (vacuum). In order to test the EVAP Pressure sensor for pressure response SEAL the system with the scan tool and use the EVAP pressure/purge diagnostic cart to apply pressure to the system. Compare the pressure gauge (in. H2O) on the diagnostic cart to the EVAP Pressure sensor reading on the scan tool.

Step

Action

Value(s)

Yes

No

1

Important: : Before clearing the DTCs, use the scan tool Capture Info to save the Freeze Frame and Failure Records for reference. The control module's data is deleted once the Clear Info function is used.

Did you perform the Powertrain On-Board Diagnostic (OBD) System Check?

--

Go to Step 2

Go to Powertrain On Board Diagnostic (OBD) System Check

2

Inspect the EVAP system for the following conditions:

  1. Improperly routed, kinked or damaged EVAP purge and tank vent lines.
  2. A damaged EVAP system component.

Repair the EVAP system if needed.

Was a repair made to the EVAP system?

--

Go to Step 16

Go to Step 3

3

Are DTCs P0452 or P0453 also set?

--

Go to applicable DTC table

Go to Step 4

4

  1. Start and idle the engine.
  2. Using the scan tool select the EVAP Purge/Seal function.
  3. While monitoring the EVAP Fuel Tank Pressure sensor display, command enough EVAP Purge to obtain the specified amount of vacuum.
  4. After the specified value has been obtained SEAL the system.
  5. While monitoring the EVAP Fuel Tank Pressure sensor display, command the EVAP Vent Valve OPEN (press exit).

Does the EVAP Fuel Tank Pressure sensor quickly drop to near 0 in. H2O when 0% EVAP Purge is commanded and the EVAP Vent Valve is opened?

-8 in. H2O

Fault not present. Go to Diagnostic Aids.

Go to Step 5

5

  1. Turn OFF the ignition.
  2. Disconnect the fuel tank vapor and the EVAP purge lines from the EVAP vapor canister.
  3. Plug the CANISTER fitting for the fuel tank vapor line.
  4. Connect a hand vacuum pump to the EVAP purge line canister fitting.
  5. With the ignition ON, engine OFF, command the EVAP Vent Valve ON (closed).
  6. Using the hand vacuum pump apply and hold the specified amount of vacuum.
  7. While monitoring the hand vacuum pump gauge command the EVAP Vent Valve OFF (open).

Does the vacuum drop from the specified value when the EVAP Vent Valve is opened?

5 in. Hg.

Go to Step 8

Go to Step 6

6

  1. Leave system as connected in Step 5.
  2. Disconnect the vent line at the EVAP Vent Valve.
  3. Plug the vent line.
  4. Using the hand vacuum pump apply and hold the specified amount of vacuum.
  5. While monitoring the hand vacuum pump gauge remove the plug from the vent line.

Does the vacuum drop from the specified value when the vent line is unplugged?

5 in Hg.

Go to Step 10

Go to Step 7

7

  1. Inspect the EVAP Vent line from the canister to the EVAP Vent Valve for restrictions.
  2. Replace the vent line if needed.

Was the EVAP Vent line replaced?

--

Go to Step 16

Go to Step 13

8

  1. Check the fuel tank vapor line for a restriction.
  2. Replace the vapor line if needed.

Was the fuel tank vapor line replaced?

--

Go to Step 16

Go to Step 9

9

Important: The following steps require the EVAP pressure/purge diagnostic station J 41413.

Always zero the EVAP Pressure and Vacuum (in. H2O) gauges on the EVAP pressure/purge diagnostic station before proceeding with diagnosis.

  1. Turn the ignition OFF.
  2. Remove the plug and the hand held vacuum pump.
  3. Reconnect the EVAP vapor canister purge and vent lines.
  4. Connect the EVAP pressure/purge diagnostic station to the EVAP system service port.
  5. Operate the vehicle until the EVAP Purge Solenoid Valve can be commanded ON with a scan tool.
  6. Using the scan tool, use Purge/Seal to turn the EVAP Purge Solenoid Valve ON to varying vacuum levels with the engine running and quickly SEAL the system with the scan tool. Leaving the EVAP Purge Solenoid Valve ON for higher percents or longer times will allow a higher amount of vacuum to develop. A maximum of -8.5 in. H2O of vacuum can be applied to the EVAP system using the scan tool.
  7. While the system is sealed compare the EVAP pressure/purge diagnostic stations vacuum gauge (in. H2O) to the vacuum shown on the scan tool from the EVAP Fuel Tank Pressure sensor. Allow a few seconds for the system to stabilize.

Do both values indicate the same amount of vacuum in the EVAP system to within the range specified?

+ or - 2 in H2O

Go to Step 2

Go to Step 14

10

  1. Turn OFF the ignition.
  2. Disconnect the EVAP Vent Valve electrical connector.
  3. Connect a test lamp between the EVAP Vent Valve Driver circuit and the EVAP Vent Valve ignition feed circuit.
  4. Turn ON the ignition leaving the engine OFF.

Is the test lamp illuminated?

--

Go to Step 11

Go to Step 12

11

Check for a short to ground on the EVAP Vent Valve Driver circuit. Repair circuit as necessary.

Was a problem found?

--

Go to Step 16

Go to Step 15

12

Replace the EVAP Vent Valve.

Is the replacement complete?

--

Go to Step 16

--

13

Replace the EVAP Vapor Canister.

Is the replacement complete?

--

Go to Step 16

--

14

Replace the EVAP Fuel Tank Pressure sensor.

Is the replacement complete?

--

Go to Step 16

--

15

  1. Replace the VCM.
  2. Program the new VCM. Refer to VCM Replacement/Programming .
  3. Perform the VTD Password Learn Procedure. Refer to Password Learn .
  4. Perform the CKP System Variation Learn Procedure. Refer to Crankshaft Position System Variation Learn .

Is the action complete?

Go to Step 16

--

16

  1. Using the Scan tool, clear the DTCs.
  2. Start the engine.
  3. Allow the engine to idle until the engine reaches normal operating temperature.
  4. Select DTC and the Specific DTC function.
  5. Enter the DTC number which was set.
  6. Operate the vehicle, with the Conditions for Setting this DTC, until the Scan Tool indicates the diagnostic Ran.

Does the Scan Tool indicate the diagnostic Passed?

--

Go to Step 17

--

17

Does the Scan Tool display any additional undiagnosed DTCs?

--

Go to the applicable DTC table

System OK