GM Service Manual Online
For 1990-2009 cars only
Makes
🢒
Chevrolet
🢒
1999
🢒
Express
🢒
Body and Accessories
🢒
Lighting Systems
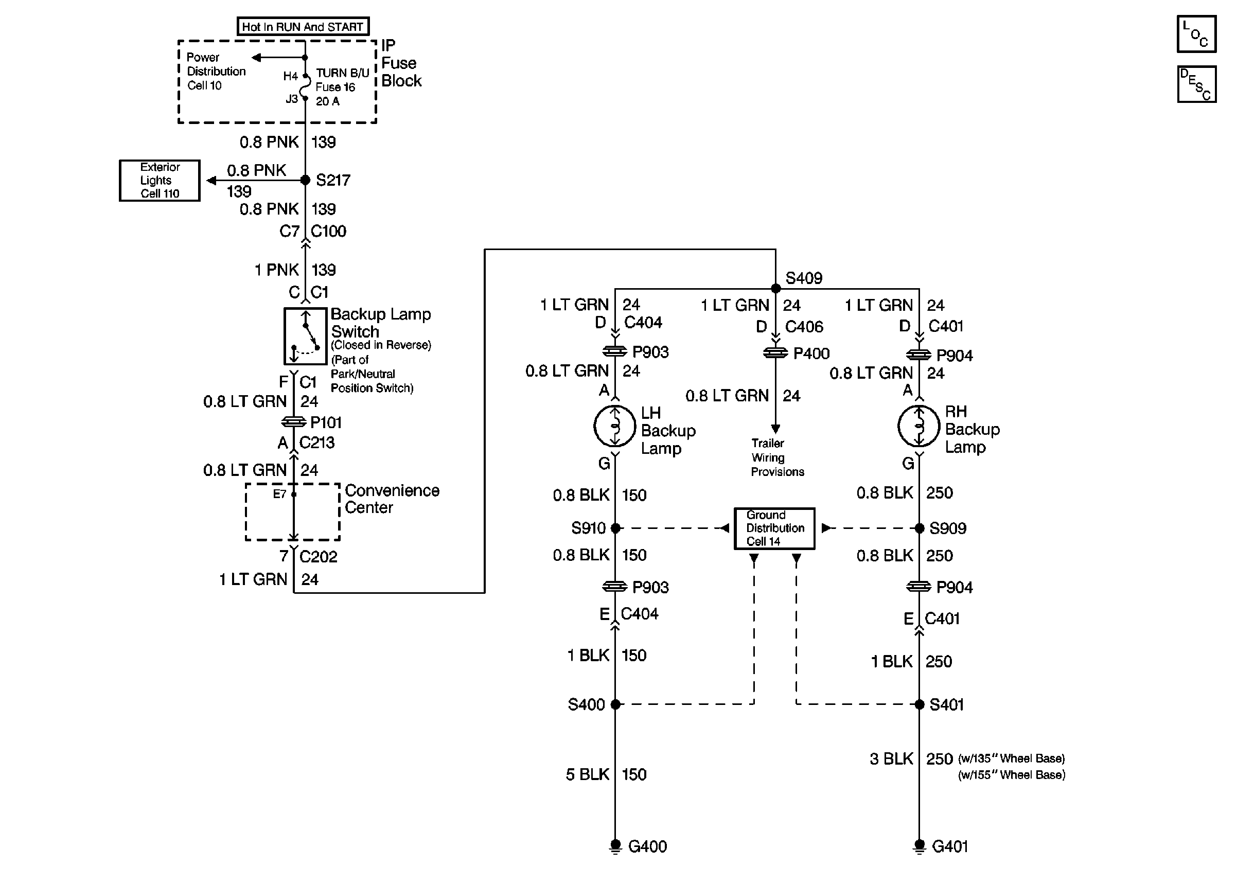
🢒 Backup Lamp Schematics
Backup Lamp Schematics Domestic
Cell 112
Lighting Systems Components Domestic
Backup Lamp Circuit Description Domestic
Power Distribution Schematics Domestic
Exterior Lights Schematics Domestic
Ground Distribution Schematics Domestic
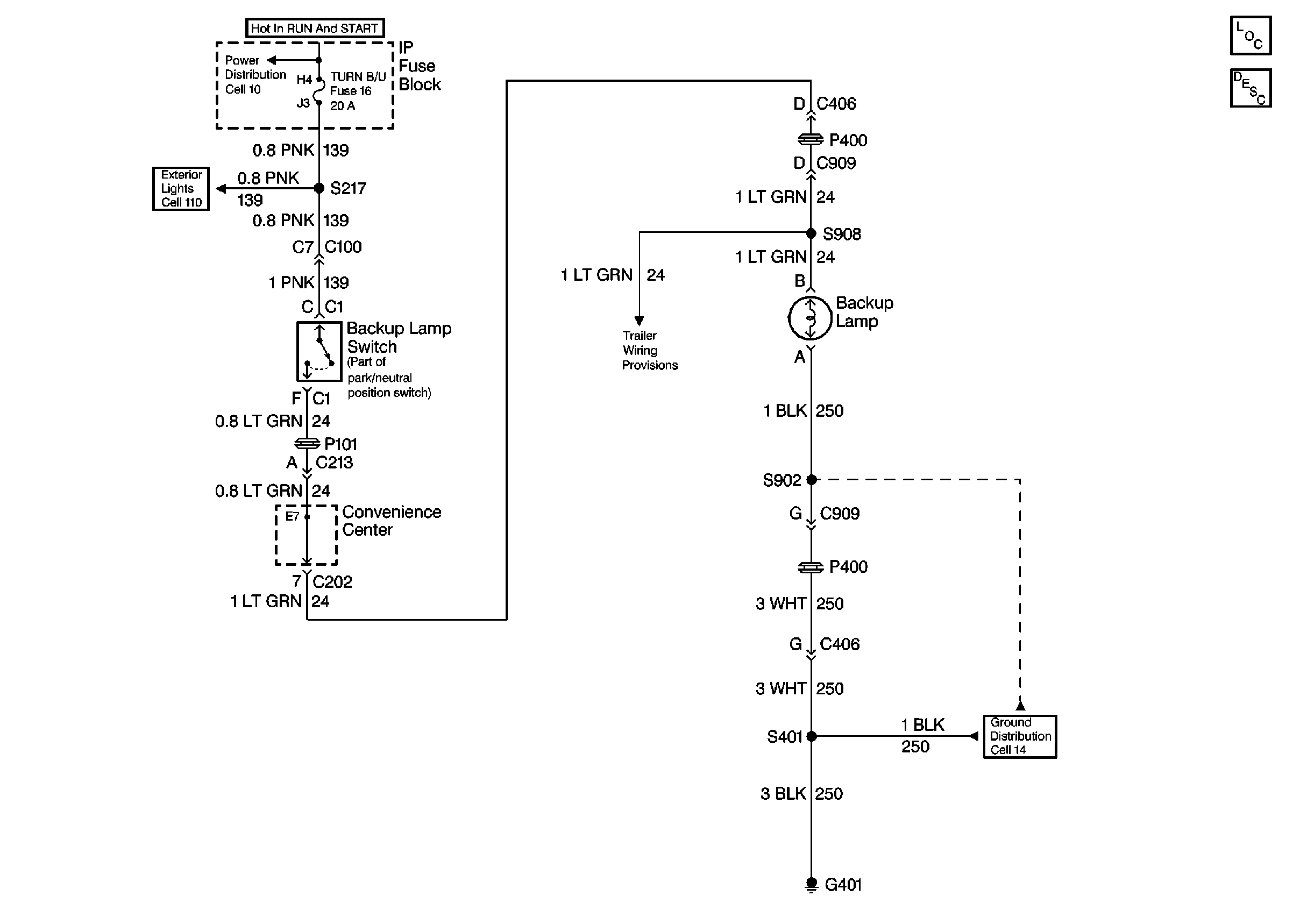
Backup Lamp Schematics Export
Cell 112
Lighting Systems Components Export
Backup Lamp Circuit Description Export
Power Distribution Schematics Export
Exterior Lights Schematics Export
Ground Distribution Schematics Export