GM Service Manual Online
For 1990-2009 cars only
Makes
🢒
Chevrolet
🢒
1999
🢒
Express
🢒
Body and Accessories
🢒
Lighting Systems
🢒 Headlights Schematics
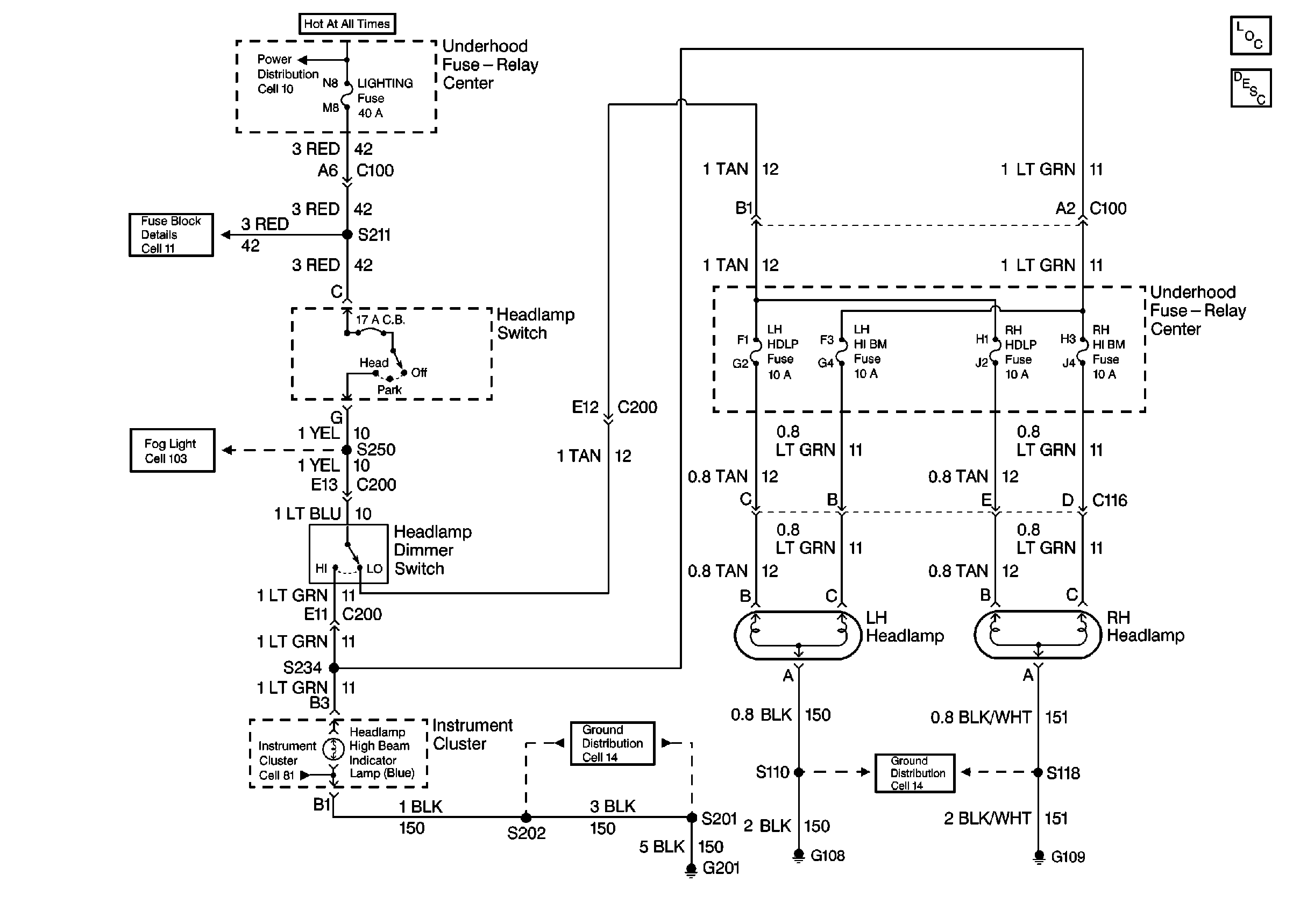
Cell 102: Headlamps
Lighting Systems Components Export
Headlights Circuit Description Export
Ground Distribution Schematics Export
Ground Distribution Schematics Export
Instrument Cluster: Analog Schematics Export
Fog Lights Schematics Export
Fuse Block Schematics Export
Power Distribution Schematics Export