GM Service Manual Online
For 1990-2009 cars only

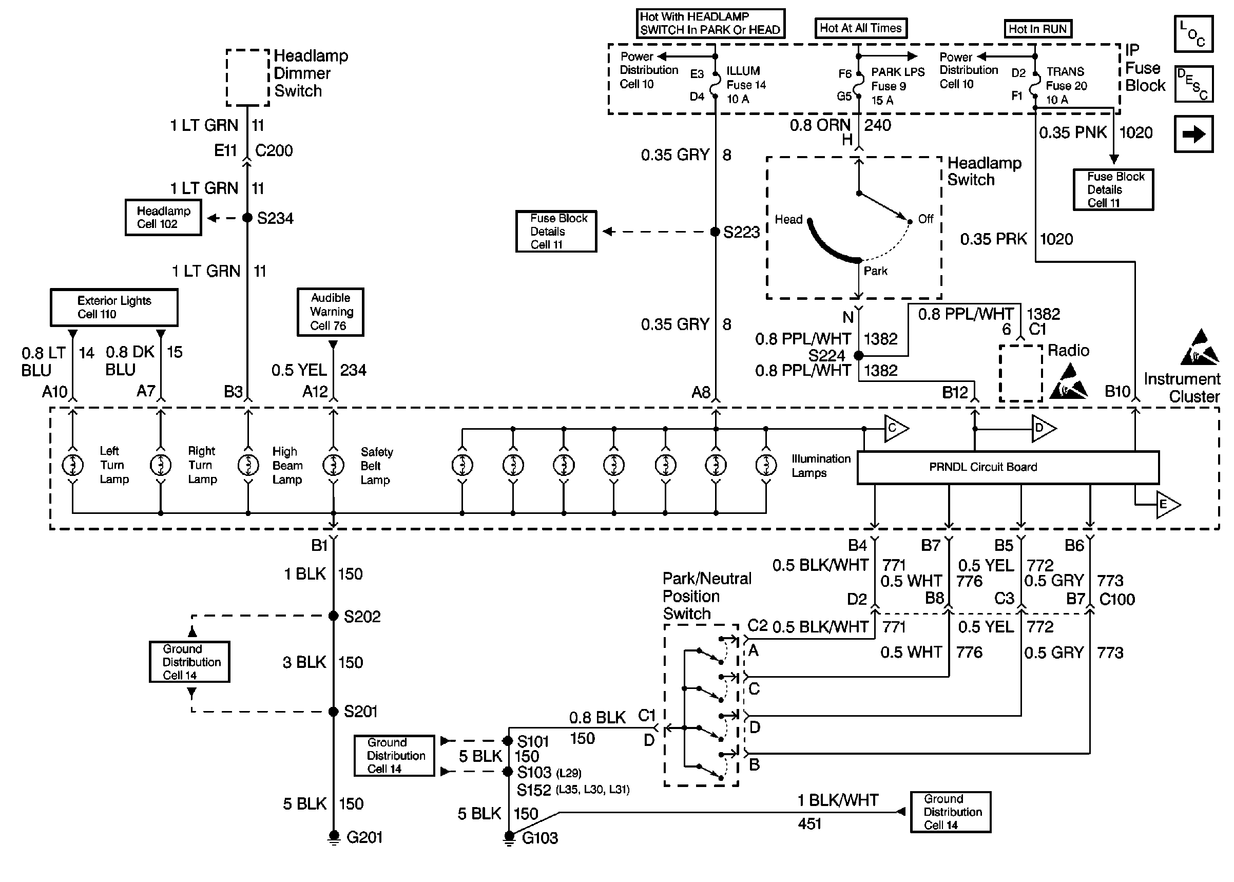
Instrument Cluster: Analog Schematics Domestic

Figure 1:

Cell 81: Headlamp Switch, Instrument Cluster, Park/Neutral Positon Switch


Object Number: 327145  Size: FS
Instrument Cluster Components
Instrument Cluster Circuit Description Domestic
Cell 81: GAUGES Fuse, Engine Coolant Temperature Gauge Sensor, G101
Cell 81: GAUGES Fuse, Engine Coolant Temperature Gauge Sensor, G101
Cell 81: GAUGES Fuse, Engine Coolant Temperature Gauge Sensor, G101
Cell 81: GAUGES Fuse, Engine Coolant Temperature Gauge Sensor, G101
Handling ESD Sensitive Parts Notice
Handling ESD Sensitive Parts Notice
Power Distribution Schematics Domestic
Power Distribution Schematics Domestic
Fuse Block Schematics Domestic
Fuse Block Schematics Domestic
Ground Distribution Schematics Domestic
Ground Distribution Schematics Domestic
Ground Distribution Schematics Domestic
Audible Warnings Schematics
Headlights/Daytime Running Lights (DRL) Schematics Domestic
Exterior Lights Schematics Domestic
Figure 2:

Cell 81: GAUGES Fuse, Engine Coolant Temperature Gauge Sensor, G101


Object Number: 327148  Size: FS
Figure 3:

Cell 81: GAUGES Fuse, WATER-IN-FUEL Indicator Sensor, G103


Object Number: 327149  Size: FS
Instrument Cluster Components
Instrument Cluster Circuit Description Domestic
Cell 81: GAUGES Fuse, Fuel Sender Buffer Module, Low Engine Coolant Level Indicator Module, Low Engine Coolant Indicator Sensor, G103, G201, G209
Cell 81: GAUGES Fuse, Engine Coolant Temperature Gauge Sensor, G101
Cell 81: GAUGES Fuse, Engine Coolant Temperature Gauge Sensor, G101
Cell 81: GAUGES Fuse, Fuel Sender Buffer Module, Low Engine Coolant Level Indicator Module, Low Engine Coolant Indicator Sensor, G103, G201, G209
Handling ESD Sensitive Parts Notice
Handling ESD Sensitive Parts Notice
Handling ESD Sensitive Parts Notice
Handling ESD Sensitive Parts Notice
Handling ESD Sensitive Parts Notice
Handling ESD Sensitive Parts Notice
Handling ESD Sensitive Parts Notice
Handling ESD Sensitive Parts Notice
Handling ESD Sensitive Parts Notice
Power Distribution Schematics Domestic
Fuse Block Schematics Domestic
Ground Distribution Schematics Domestic
Figure 4:

Cell 81: GAUGES Fuse, Fuel Sender Buffer Module, Low Engine Coolant Level Indicator Module, Low Engine Coolant Indicator Sensor, G103, G201, G209


Object Number: 327151  Size: FS
Instrument Cluster Components
Instrument Cluster Circuit Description Domestic
Cell 81: GAUGES Fuse, WATER-IN-FUEL Indicator Sensor, G103
Cell 81: GAUGES Fuse, Engine Coolant Temperature Gauge Sensor, G101
Cell 81: GAUGES Fuse, WATER-IN-FUEL Indicator Sensor, G103
Handling ESD Sensitive Parts Notice
Handling ESD Sensitive Parts Notice
Power Distribution Schematics Domestic
Power Distribution Schematics Domestic
Fuse Block Schematics Domestic
Fuse Block Schematics Domestic
Ground Distribution Schematics Domestic
Ground Distribution Schematics Domestic

Instrument Cluster: Analog Schematics Export

Figure 1:

Cell 81: Left Turn Lamp, Right Turn Lamp, High Beam, Safety Belt, Illum Lamps


Object Number: 356735  Size: FS
Lighting Systems Components Export
Headlights Circuit Description Export
Cell 81: Fuel Gauge, Voltmeter, Temperature Gauge, Check Gauges Lamp Driver
Headlights Schematics
Exterior Lights Schematics Export
Ground Distribution Schematics Export
Audible Warnings Schematics
Ground Distribution Schematics Export
Fuse Block Schematics Export
Power Distribution Schematics Export
Power Distribution Schematics Export
Power Distribution Schematics Export
Fuse Block Schematics Export
Handling ESD Sensitive Parts Notice
Handling ESD Sensitive Parts Notice
Cell 81: Fuel Gauge, Voltmeter, Temperature Gauge, Check Gauges Lamp Driver
Cell 81: Fuel Gauge, Voltmeter, Temperature Gauge, Check Gauges Lamp Driver
Cell 81: Fuel Gauge, Voltmeter, Temperature Gauge, Check Gauges Lamp Driver
Ground Distribution Schematics Export
Figure 2:

Cell 81: Fuel Gauge, Voltmeter, Temperature Gauge, Check Gauges Lamp Driver


Object Number: 356740  Size: FS
Lighting Systems Components Export
Headlights Circuit Description Export
Cell 81: Water In Fuel, Check Gauges, Air Bag, Brake Warning, ABS Warning, DRL, Service Throttle Soon, Malfunction, Wait, Battery
Cell 81: Left Turn Lamp, Right Turn Lamp, High Beam, Safety Belt, Illum Lamps
Power Distribution Schematics Export
Fuse Block Schematics Export
Cell 81: Left Turn Lamp, Right Turn Lamp, High Beam, Safety Belt, Illum Lamps
Ground Distribution Schematics Export
Cell 81: FL SDR BUSF MDL, Low ECL IND MOD, Low ECL SEN
Cell 81: Left Turn Lamp, Right Turn Lamp, High Beam, Safety Belt, Illum Lamps
Cell 81: Left Turn Lamp, Right Turn Lamp, High Beam, Safety Belt, Illum Lamps
Cell 81: Water In Fuel, Check Gauges, Air Bag, Brake Warning, ABS Warning, DRL, Service Throttle Soon, Malfunction, Wait, Battery
Handling ESD Sensitive Parts Notice
Handling ESD Sensitive Parts Notice
Handling ESD Sensitive Parts Notice
Figure 3:

Cell 81: Water In Fuel, Check Gauges, Air Bag, Brake Warning, ABS Warning, DRL, Service Throttle Soon, Malfunction, Wait, Battery


Object Number: 356746  Size: FS
Lighting Systems Components Export
Headlights Circuit Description Export
Cell 81: FL SDR BUSF MDL, Low ECL IND MOD, Low ECL SEN
Cell 81: Fuel Gauge, Voltmeter, Temperature Gauge, Check Gauges Lamp Driver
Handling ESD Sensitive Parts Notice
Power Distribution Schematics Export
Fuse Block Schematics Export
Cell 81: Fuel Gauge, Voltmeter, Temperature Gauge, Check Gauges Lamp Driver
Ground Distribution Schematics Export
Cell 81: FL SDR BUSF MDL, Low ECL IND MOD, Low ECL SEN
Brake Warning System Schematics
SIR Handling Caution
Handling ESD Sensitive Parts Notice
Handling ESD Sensitive Parts Notice
Handling ESD Sensitive Parts Notice
Handling ESD Sensitive Parts Notice
Handling ESD Sensitive Parts Notice
Handling ESD Sensitive Parts Notice
Figure 4:

Cell 81: FL SDR BUSF MDL, Low ECL IND MOD, Low ECL SEN


Object Number: 356750  Size: FS
Lighting Systems Components Export
Headlights Circuit Description Export
Cell 81: Water In Fuel, Check Gauges, Air Bag, Brake Warning, ABS Warning, DRL, Service Throttle Soon, Malfunction, Wait, Battery
Fuse Block Schematics Export
Fuse Block Schematics Export
Cell 81: Fuel Gauge, Voltmeter, Temperature Gauge, Check Gauges Lamp Driver
Ground Distribution Schematics Export
Handling ESD Sensitive Parts Notice
Cell 81: Water In Fuel, Check Gauges, Air Bag, Brake Warning, ABS Warning, DRL, Service Throttle Soon, Malfunction, Wait, Battery
Ground Distribution Schematics Export
Power Distribution Schematics Export
Fuse Block Schematics Export
Handling ESD Sensitive Parts Notice