GM Service Manual Online
For 1990-2009 cars only
Makes
🢒
Chevrolet
🢒
1999
🢒
Express
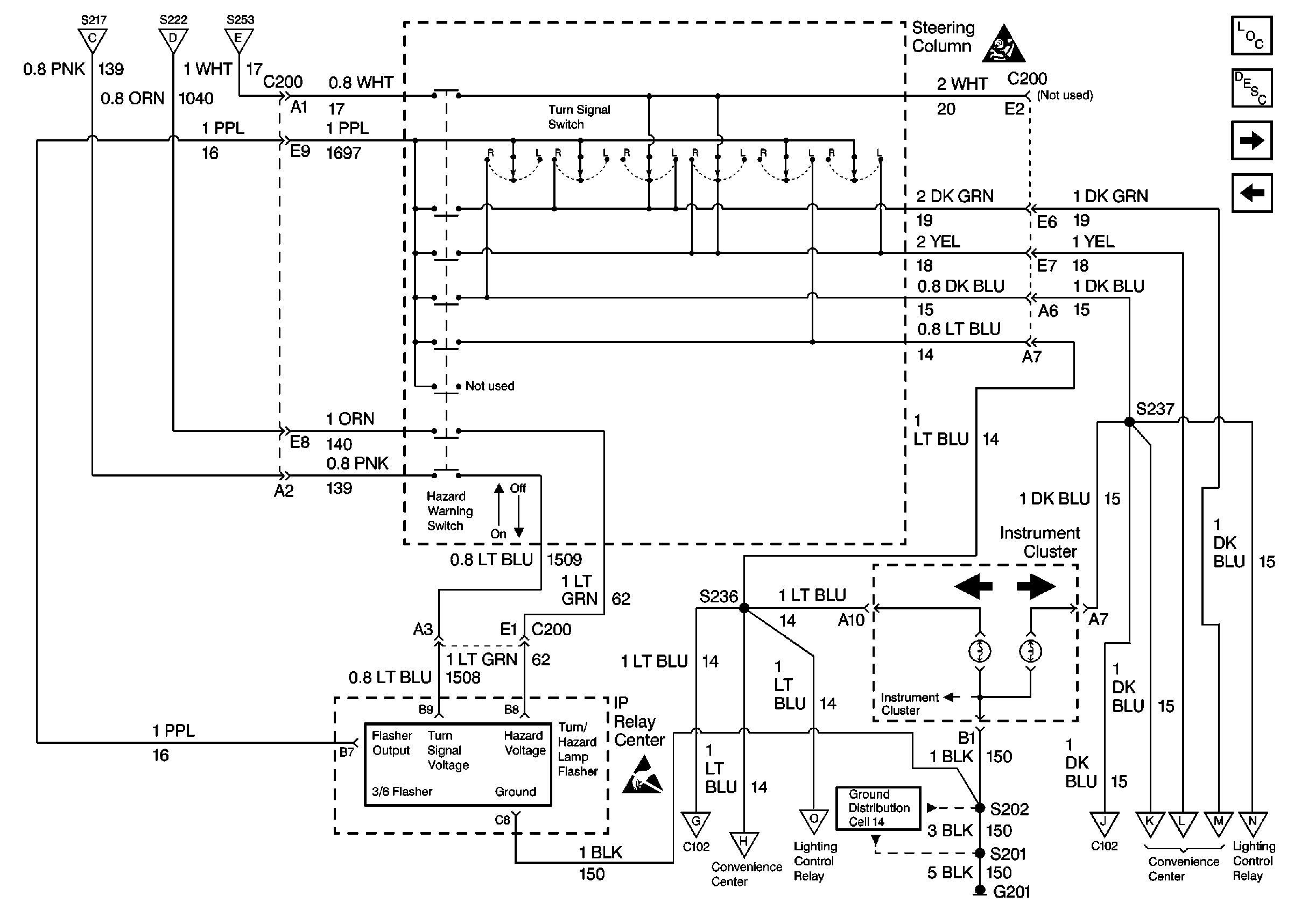
🢒 Cell 110: Hazard Warning Switch, Turn/Hazard Lamp Flasher, G201
Cell 110: Hazard Warning Switch, Turn/Hazard Lamp Flasher, G201
Cell 110: Hazard Warning Switch, Turn/Hazard Lamp Flasher, G201
Lighting Systems Components Domestic
Exterior Lights Circuit Description Domestic
Cell 110: R100, Front Side Marker Lamps, Front Park and Turn Signal Lamps, G108, G109
Cell 110: PARK LPS, TURN B/U, HAZARD, STOP Fuses
Cell 110: PARK LPS, TURN B/U, HAZARD, STOP Fuses
Cell 110: PARK LPS, TURN B/U, HAZARD, STOP Fuses
Cell 110: PARK LPS, TURN B/U, HAZARD, STOP Fuses
SIR Caution
Ground Distribution Schematics Domestic
Handling ESD Sensitive Parts Notice
Cell 110: R100, Front Side Marker Lamps, Front Park and Turn Signal Lamps, G108, G109
Cell 110: Taillamps, Rear Park and Turn Signal Lamps, Center High Mounted Stoplamps, License Lamp, G400, G401
Cell 110: R100, Front Side Marker Lamps, Front Park and Turn Signal Lamps, G108, G109
Cell 110: Taillamps, Rear Park and Turn Signal Lamps, Center High Mounted Stoplamps, License Lamp, G400, G401
Cell 110: Taillamps, Rear Park and Turn Signal Lamps, Center High Mounted Stoplamps, License Lamp, G400, G401
Cell 110: Taillamps, Rear Park and Turn Signal Lamps, Center High Mounted Stoplamps, License Lamp, G400, G401