GM Service Manual Online
For 1990-2009 cars only
Makes
🢒
Chevrolet
🢒
1999
🢒
Express
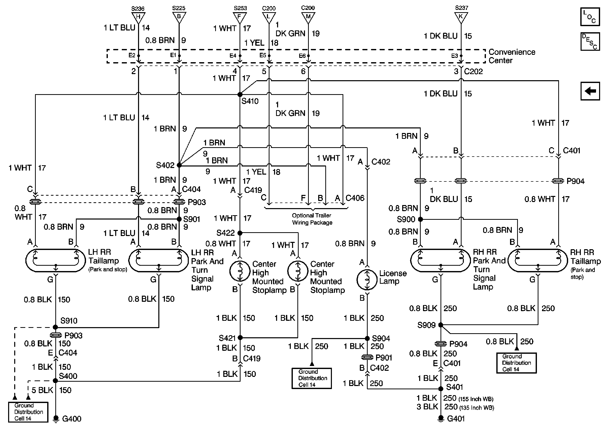
🢒 Cell 110: Taillamps, Rear Park and Turn Signal Lamps, Center High Mounted Stoplamps, License Lamp, G400, G401
Cell 110: Taillamps, Rear Park and Turn Signal Lamps, Center High Mounted Stoplamps, License Lamp, G400, G401
Cell 110: Taillamps, Rear Park and Turn Signal Lamps, Center High Mounted Stoplamps, License Lamp, G400, G401
Lighting Systems Components Domestic
Exterior Lights Circuit Description Domestic
Cell 110: Front Side Marker Lamps, Front Park and Turn Signal Lamps,G108, G109 (Composite)
Cell 110: Hazard Warning Switch, Turn/Hazard Lamp Flasher, G201
Cell 110: PARK LPS, TURN B/U, HAZARD, STOP Fuses
Cell 110: PARK LPS, TURN B/U, HAZARD, STOP Fuses
Cell 110: Hazard Warning Switch, Turn/Hazard Lamp Flasher, G201
Cell 110: Hazard Warning Switch, Turn/Hazard Lamp Flasher, G201
Cell 110: Hazard Warning Switch, Turn/Hazard Lamp Flasher, G201
Ground Distribution Schematics Domestic
Ground Distribution Schematics Domestic
Ground Distribution Schematics Domestic