GM Service Manual Online
For 1990-2009 cars only
Makes
🢒
Chevrolet
🢒
1999
🢒
Express
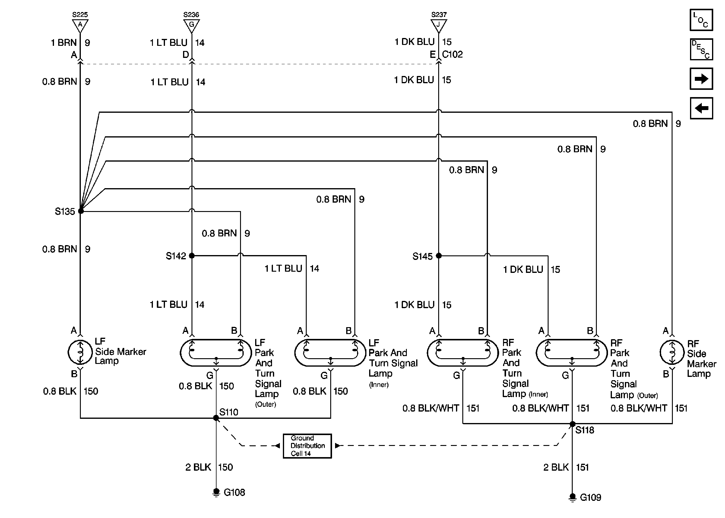
🢒 Cell 110: Front Side Marker Lamps, Front Park and Turn Signal Lamps,G108, G109 (Composite)
Cell 110: Front Side Marker Lamps, Front Park and Turn Signal Lamps,G108, G109 (Composite)
Cell 110: Front Side Marker Lamps, Front Park and Turn Signal Lamps, G108, G109 (Composite)
Lighting Systems Components Domestic
Exterior Lights Circuit Description Domestic
Cell 110: Taillamps, Rear Park and Turn Signal Lamps, Center High Mounted Stoplamps, License Lamp, G400, G401
Cell 110: R100, Front Side Marker Lamps, Front Park and Turn Signal Lamps, G108, G109
Cell 110: R100, Front Side Marker Lamps, Front Park and Turn Signal Lamps, G108, G109
Cell 110: R100, Front Side Marker Lamps, Front Park and Turn Signal Lamps, G108, G109
Cell 110: R100, Front Side Marker Lamps, Front Park and Turn Signal Lamps, G108, G109
Ground Distribution Schematics Domestic