GM Service Manual Online
For 1990-2009 cars only
Makes
🢒
Chevrolet
🢒
1999
🢒
Express
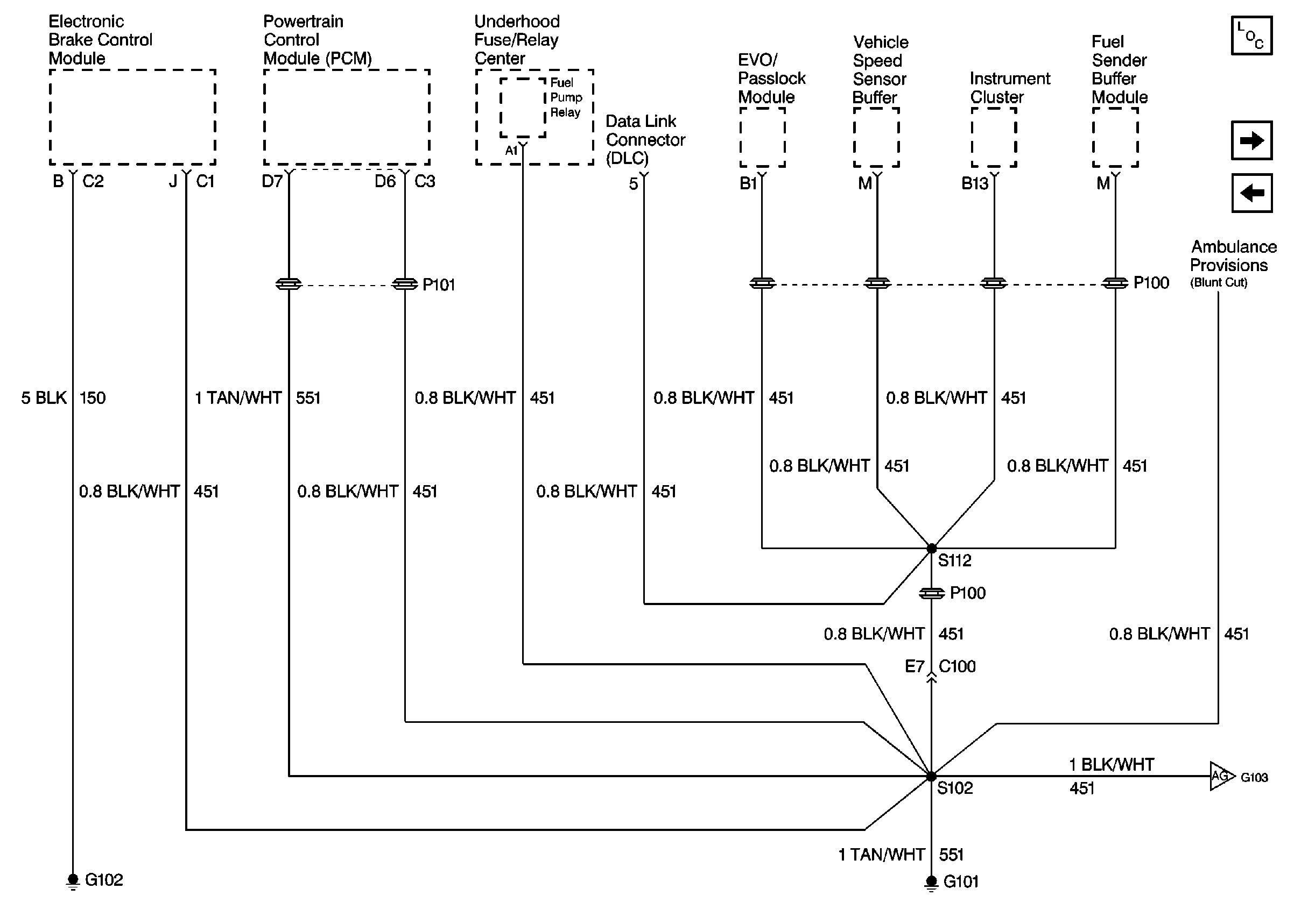
🢒 Cell 14: G101, G102 (6.5L)
Cell 14: G101, G102 (6.5L)
Cell 14: G101, G102 (6.5L)
Power and Grounding Components
Cell 14: G103 (6.5L)
Cell 14: S101 (G103) (7.4L)
Cell 14: G103 (6.5L)