GM Service Manual Online
For 1990-2009 cars only
Makes
🢒
Chevrolet
🢒
1999
🢒
Express
🢒 Cell 14: G103 (6.5L)
Cell 14: G103 (6.5L)
Cell 14: G103 (6.5L)
Power and Grounding Components
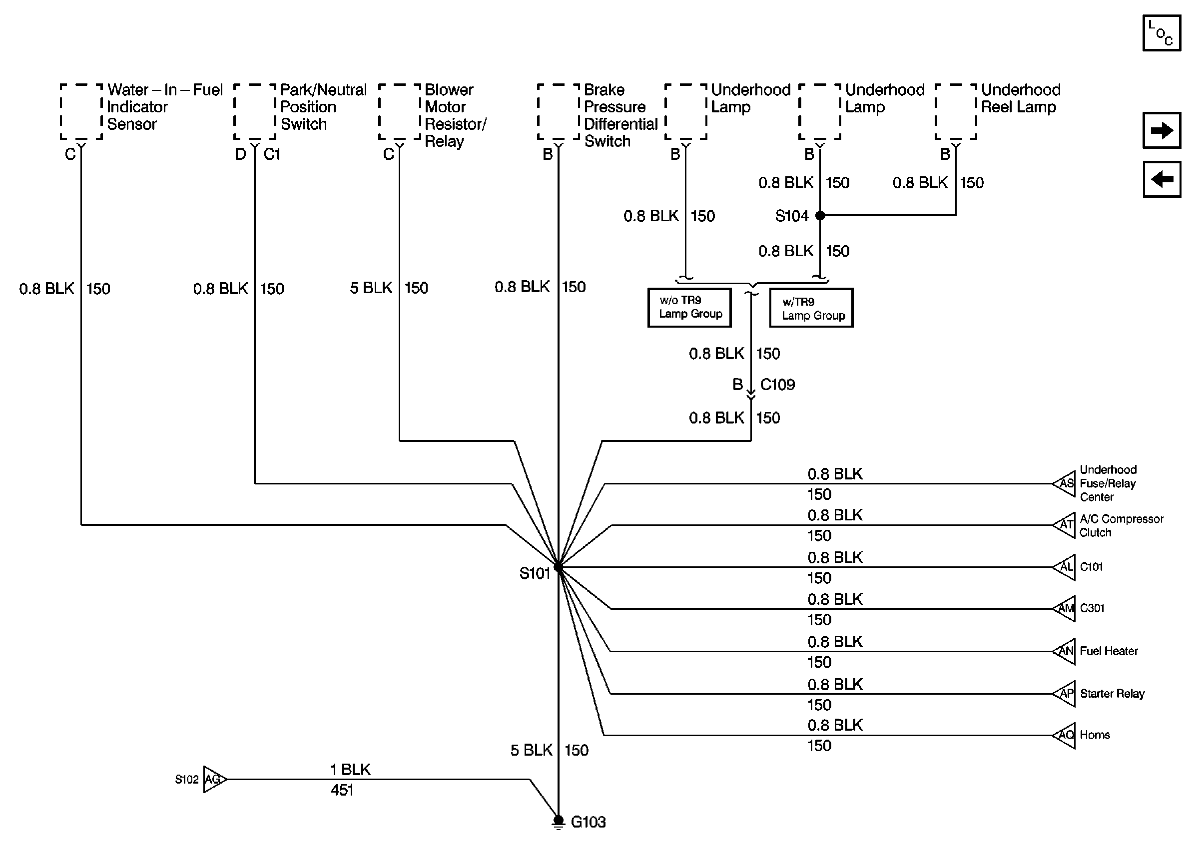
Cell 14: C301, D102, Horns, Starter Relay, Fuel Heater (G103) (6.5L)
Cell 14: G101, G102 (6.5L)
Cell 14: G101, G102 (6.5L)
Cell 14: C301, D102, Horns, Starter Relay, Fuel Heater (G103) (6.5L)
Cell 14: C301, D102, Horns, Starter Relay, Fuel Heater (G103) (6.5L)
Cell 14: C301, D102, Horns, Starter Relay, Fuel Heater (G103) (6.5L)
Cell 14: C301, D102, Horns, Starter Relay, Fuel Heater (G103) (6.5L)
Cell 14: C301, D102, Horns, Starter Relay, Fuel Heater (G103) (6.5L)
Cell 14: C301, D102, Horns, Starter Relay, Fuel Heater (G103) (6.5L)
Cell 14: C301, D102, Horns, Starter Relay, Fuel Heater (G103) (6.5L)