GM Service Manual Online
For 1990-2009 cars only
Makes
🢒
Chevrolet
🢒
1999
🢒
Express
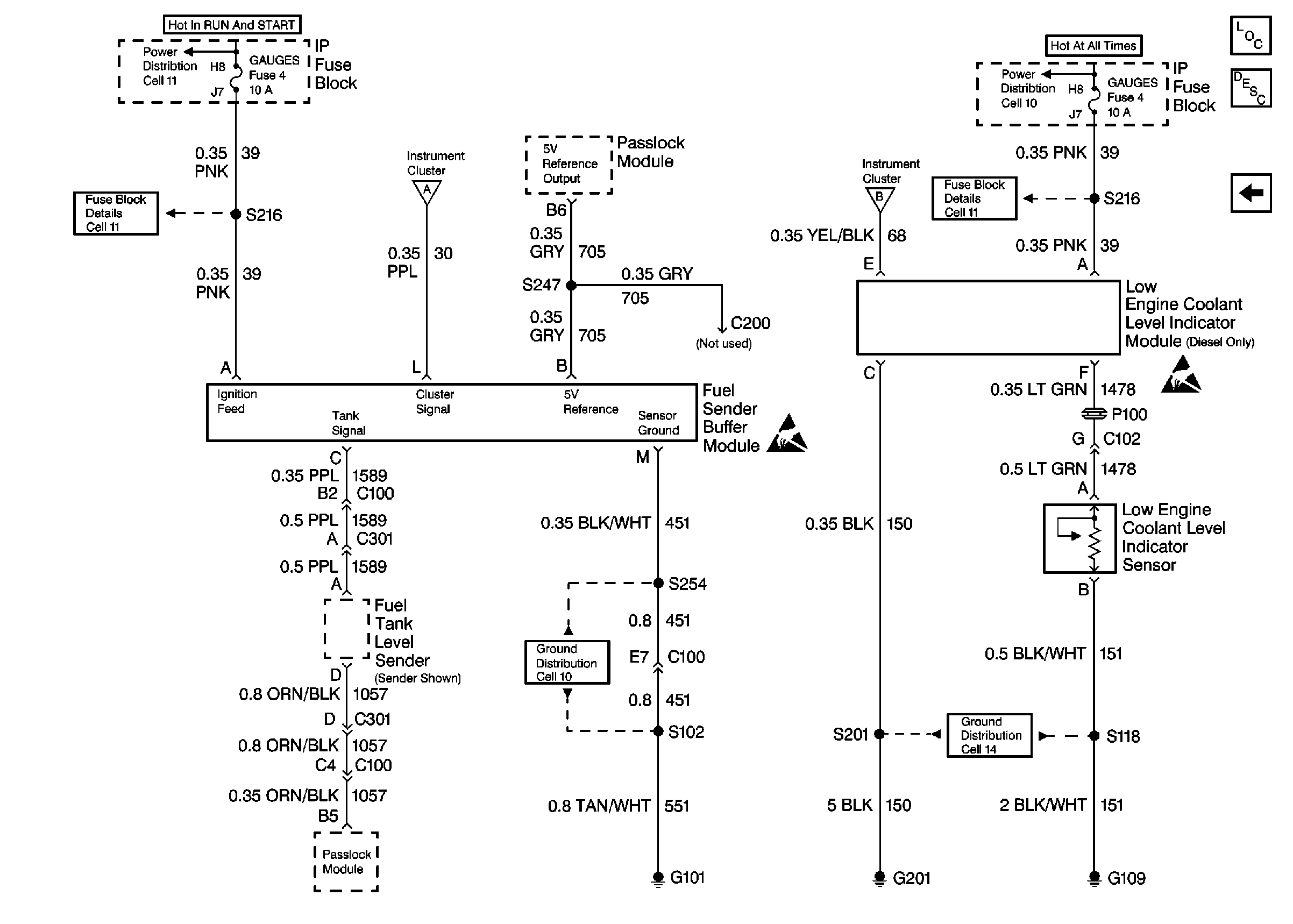
🢒 Cell 81: GAUGES Fuse, Fuel Sender Buffer Module, Low Engine Coolant Level Indicator Module, Low Engine Coolant Indicator Sensor, G103, G201, G209
Cell 81: GAUGES Fuse, Fuel Sender Buffer Module, Low Engine Coolant Level Indicator Module, Low Engine Coolant Indicator Sensor, G103, G201, G209
Cell 81: GAUGES Fuse, Fuel Sender Buffer Module, Low Engine Coolant Level Indicator Module, Low Engine Coolant Indicator Sensor, G103, G201, G209
Instrument Cluster Components
Instrument Cluster Circuit Description Domestic
Cell 81: GAUGES Fuse, WATER-IN-FUEL Indicator Sensor, G103
Cell 81: GAUGES Fuse, Engine Coolant Temperature Gauge Sensor, G101
Cell 81: GAUGES Fuse, WATER-IN-FUEL Indicator Sensor, G103
Handling ESD Sensitive Parts Notice
Handling ESD Sensitive Parts Notice
Power Distribution Schematics Domestic
Power Distribution Schematics Domestic
Fuse Block Schematics Domestic
Fuse Block Schematics Domestic
Ground Distribution Schematics Domestic
Ground Distribution Schematics Domestic