GM Service Manual Online
For 1990-2009 cars only
Makes
🢒
Chevrolet
🢒
1999
🢒
Express
🢒 Cell 20: Ignition Controls
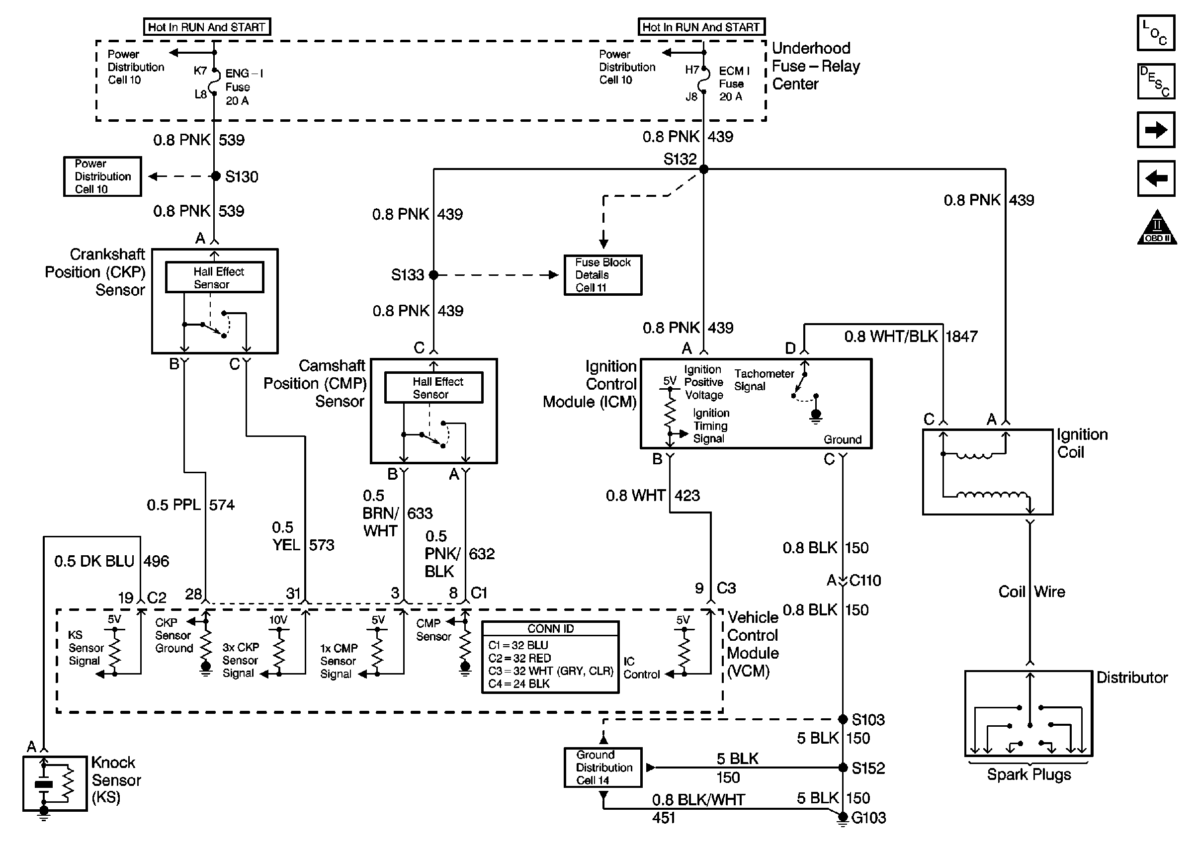
Cell 20: Ignition Controls
Cell 20: Ignition Controls
Engine Controls Components
Information Sensors/Switches Description
Cell 20: Fuel Pump Controls
Cell 20: PWR, GND and DLC
OBD II Symbol Description Notice
VCM Connector End Views
Cell 10: FUEL SOL, IGN-E, ECM-I, ENG-I, GAUGES, AIR BAGS, TURN B/U Fuses
Cell 10: FUEL SOL, IGN-E, ECM-I, ENG-I, GAUGES, AIR BAGS, TURN B/U Fuses
Cell 11: ENG-I Fuse
Cell 11: ECM-I Fuse (4.3L)
Cell 14: Underhood Fuse-Relay Center, Horns, Ignition Control Module(4.3L)