GM Service Manual Online
For 1990-2009 cars only
Makes
🢒
Chevrolet
🢒
1999
🢒
Express
🢒 Cell 23: 4L80-E Transmission Switch Controls
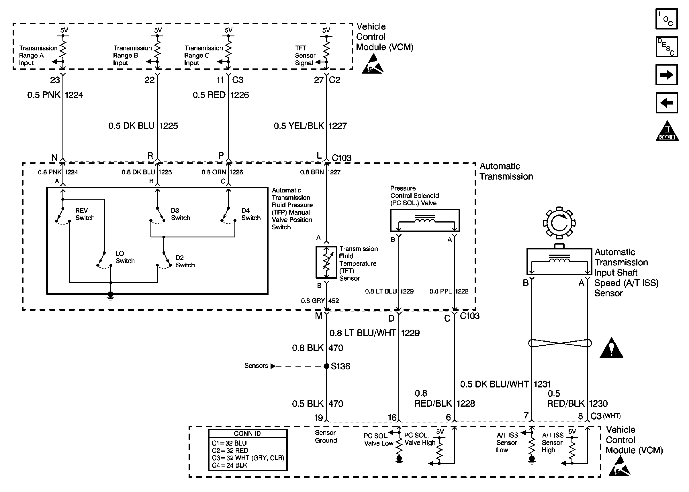
Cell 23: 4L80-E Transmission Switch Controls
Cell 23: 4L80-E Transmission Switch Controls
Engine Controls Components
Information Sensors/Switches Description
Cell 23: A/C Controls
Cell 23: 4L80-E Transmission Solenoid Controls
OBD II Symbol Description Notice
VCM Connector End Views
Cell 23: Sensor Controls
Handling ESD Sensitive Parts Notice
Handling ESD Sensitive Parts Notice
Engine Controls Schematic Icons