GM Service Manual Online
For 1990-2009 cars only
Makes
🢒
Chevrolet
🢒
1999
🢒
Express
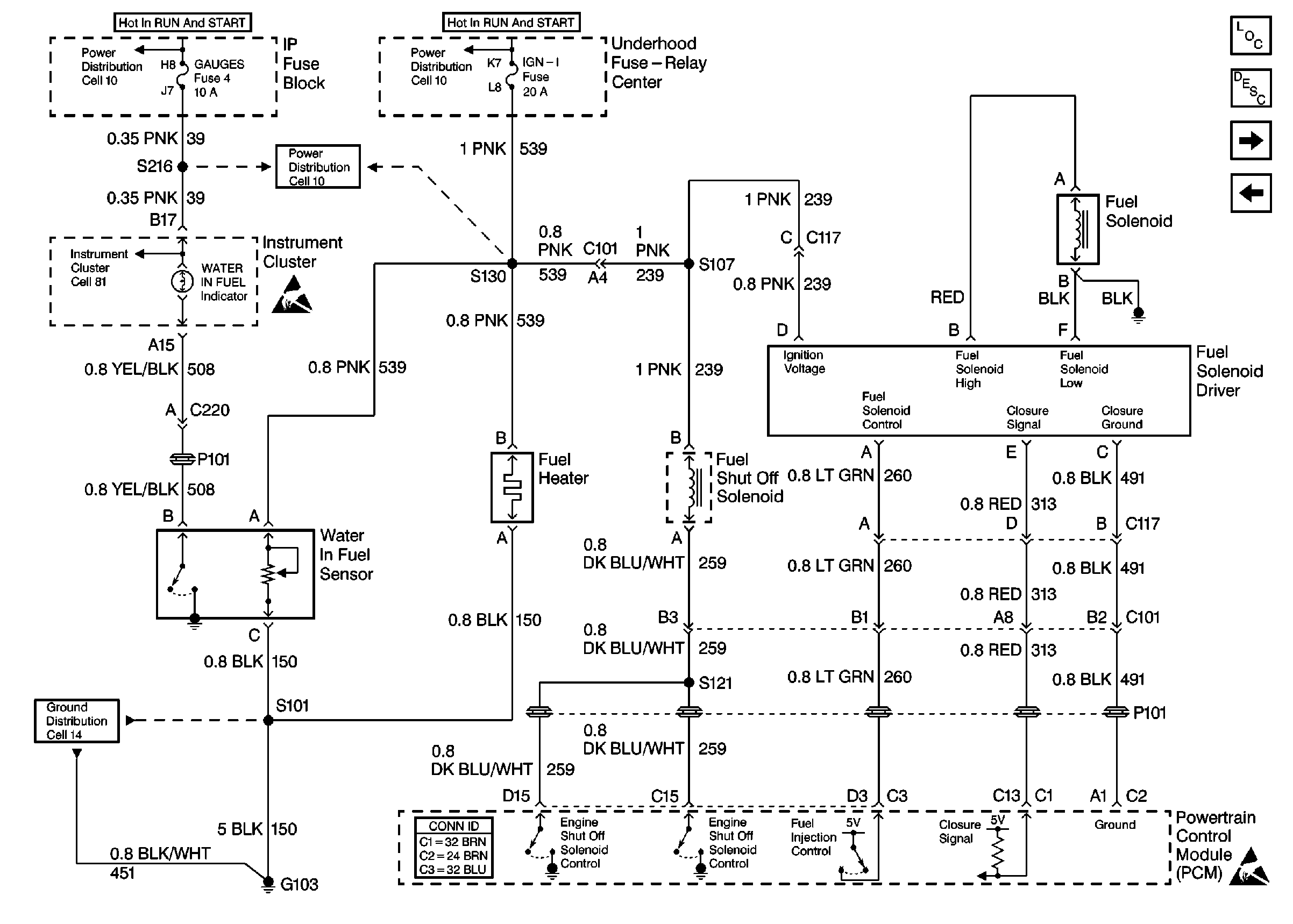
🢒 Cell 22: Fuel Controls
Cell 22: Fuel Controls
Cell 22: Fuel Controls
Engine Controls Components
Information Sensors/Switches Description
Cell 22: Fuel Temperature Controls
Cell 22: Fuel Pump Controls
Cell 10: Battery, Battery Junction Block, Auxiliary Battery, AUX A, AUX B, BLOWER, IGN-B, IGN-A, ABS, BATT, LIGHTING, ECM-B, HORN, A/C Fuses, Inline Fuse 30 A (Diesel Engines)
Cell 10: FUEL SOL, IGN-E, ECM-I, ENG-I, GAUGES, AIR BAGS, TURN B/U Fuses
Cell 11: FUEL SOL, IGN-E, RR BLOWER Fuses
Cell 81: GAUGES Fuse, WATER-IN-FUEL Indicator Sensor, G103
Powertrain Control Module Connector End Views
Handling ESD Sensitive Parts Notice
Handling ESD Sensitive Parts Notice
Cell 14: G103 (6.5L)