GM Service Manual Online
For 1990-2009 cars only
Makes
🢒
Chevrolet
🢒
1999
🢒
Express
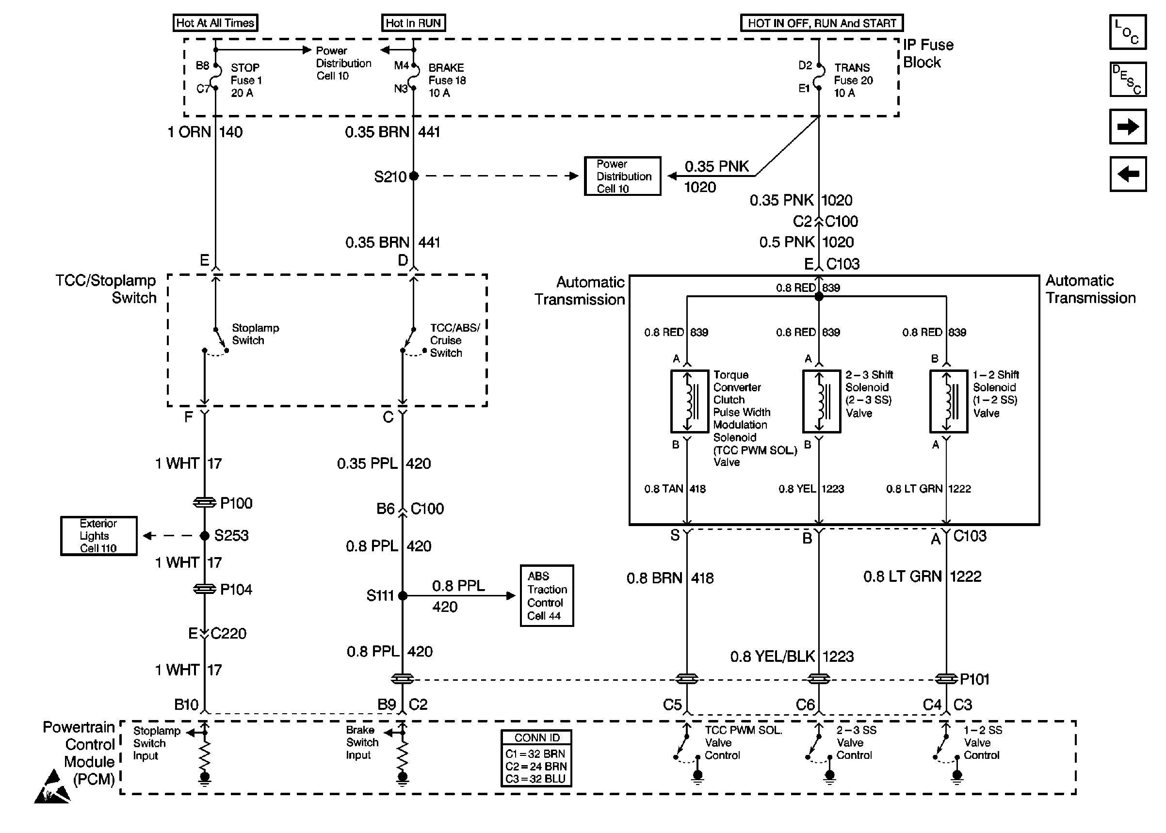
🢒 Cell 22: 4L80-E Solenoid Controls
Cell 22: 4L80-E Solenoid Controls
Cell 22: 4L80-E Solenoid Controls
Engine Controls Components
Information Sensors/Switches Description
Cell 22: 4L80-E Switch and ISS Controls
Cell 22: VSS Controls
Cell 10: Ignition Switch, RR BLOWER, RR HVAC, BRAKE, HTR AC, CRUISE, RADIO, WIPER, PWR WDO, TRANS, CRANK Fuses
Cell 11: TURN B/U and TRANS Fuses
Cell 110: PARK LPS, TURN B/U, HAZARD, STOP Fuses
Cell 44: IP, PCM, EBCM, and VSS (Diesel)
Powertrain Control Module Connector End Views
Handling ESD Sensitive Parts Notice