GM Service Manual Online
For 1990-2009 cars only
Makes
🢒
Chevrolet
🢒
1999
🢒
Express
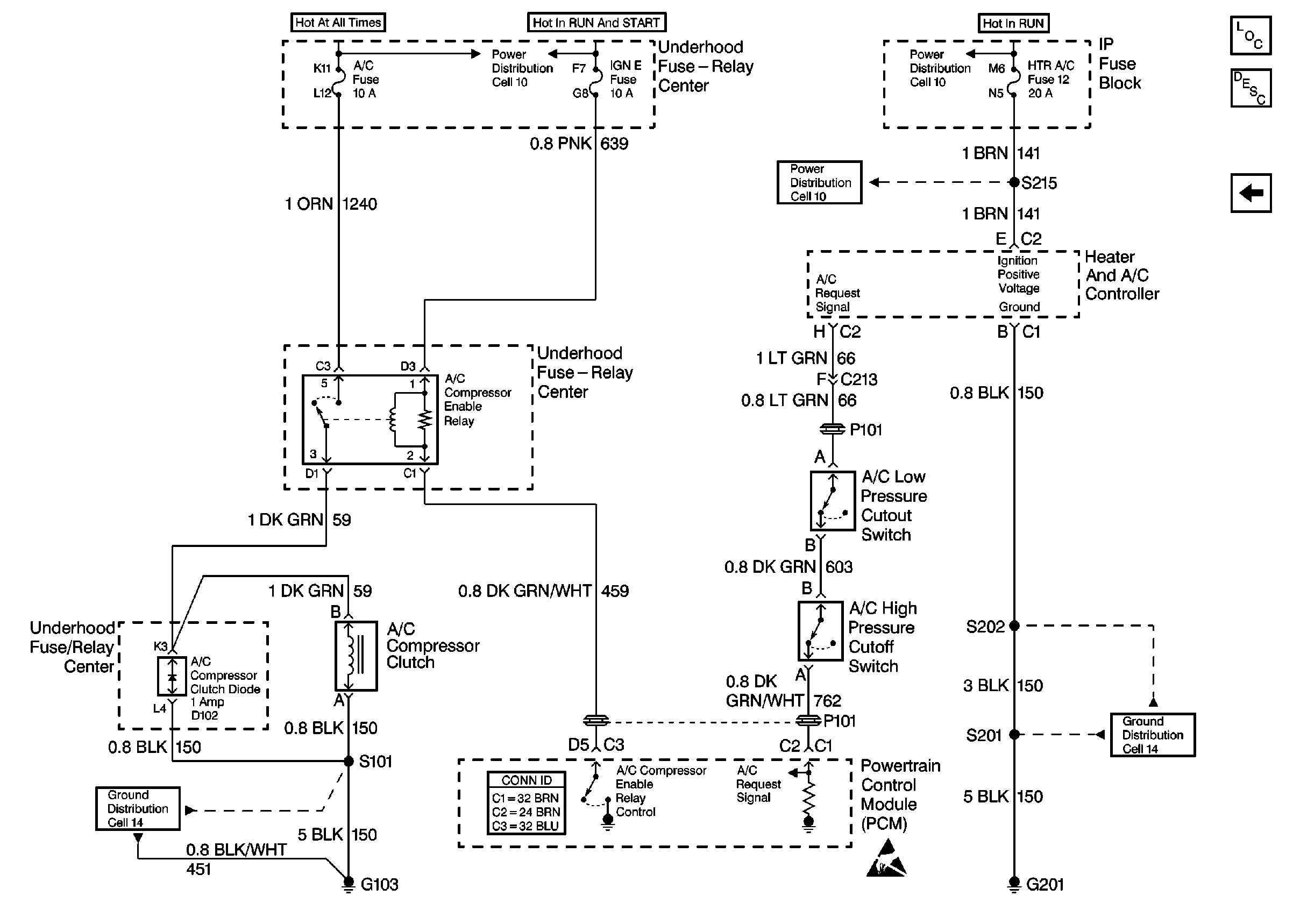
🢒 Cell 22: A/C Controls
Cell 22: A/C Controls
Cell 22: A/C Controls
Engine Controls Components
Information Sensors/Switches Description
Cell 22: 4L80-E Switch and ISS Controls
Cell 10: Ignition Switch, RR BLOWER, RR HVAC, BRAKE, HTR AC, CRUISE, RADIO, WIPER, PWR WDO, TRANS, CRANK Fuses
Cell 10: Battery, Battery Junction Block, Auxiliary Battery, AUX A, AUX B, BLOWER, IGN-B, IGN-A, ABS, BATT, LIGHTING, ECM-B, HORN, A/C Fuses, Inline Fuse 30 A (Diesel Engines)
Cell 11: CRANK, CRUISE, HTR-A/C, BRAKE Fuses
Powertrain Control Module Connector End Views
Handling ESD Sensitive Parts Notice
Cell 14: G201
Cell 14: G103 (6.5L)