GM Service Manual Online
For 1990-2009 cars only
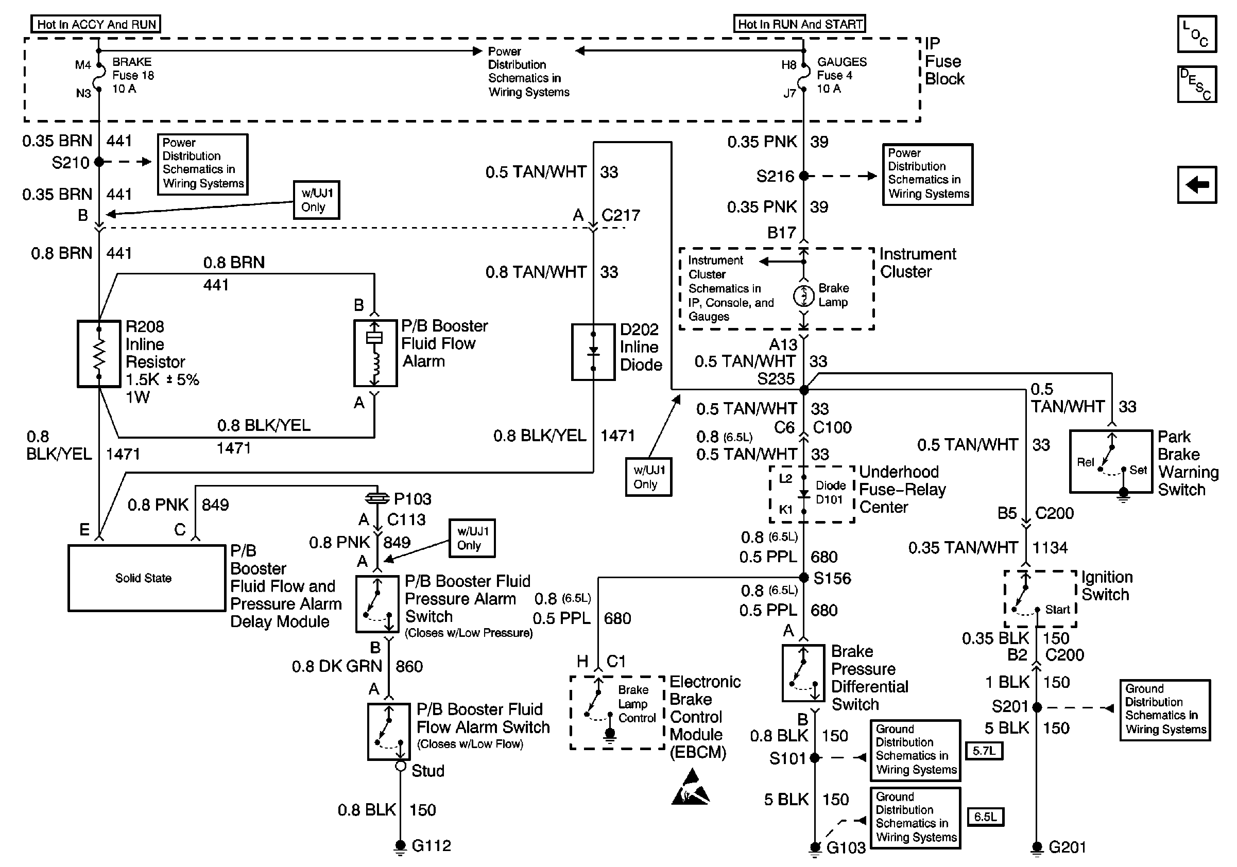
Figure 1:

PWR, Switch and Alarm Delay Module


Object Number: 521775  Size: FS
Hydraulic Brakes Components
Brake Warning System Circuit Description
PWR, GND and DRL Module
Cell 41: PWR, GND and DRL Module
GAUGES Fuse
CRUISE, HTR A/C, and BRAKE Fuses
IGN A, IGN B Fuses, and Ignition Switch
GAUGES Fuse, WATER-IN-FUEL Indicator Sensor, G103
Handling ESD Sensitive Parts Notice
Handling ESD Sensitive Parts Notice
Handling ESD Sensitive Parts Notice
Figure 2:

PWR, GND and DRL Module


Object Number: 521773  Size: FS
Hydraulic Brakes Components
Brake Warning System Description
G103 (4.3L, 5.0L, and 5.7L Engines)
G103 (7.4L Engine)
G103 (6.5L Engine)
Handling ESD Sensitive Parts Notice
Handling ESD Sensitive Parts Notice
G201
Figure 3:

PWR, Switch and Alarm Delay Module (Non DRL)


Object Number: 521777  Size: FS
Hydraulic Brakes Components
Brake Warning System Description
IGN A, IGN B Fuses, and Ignition Switch
CRUISE, HTR A/C, and BRAKE Fuses
GAUGES Fuse
GAUGES Fuse, WATER-IN-FUEL Indicator Sensor, G103
G103 (4.3L, 5.0L, and 5.7L Engines)
G103 (6.5L Engine)
G201