GM Service Manual Online
For 1990-2009 cars only
Makes
🢒
Chevrolet
🢒
2000
🢒
Express
🢒
Body and Accessories
🢒
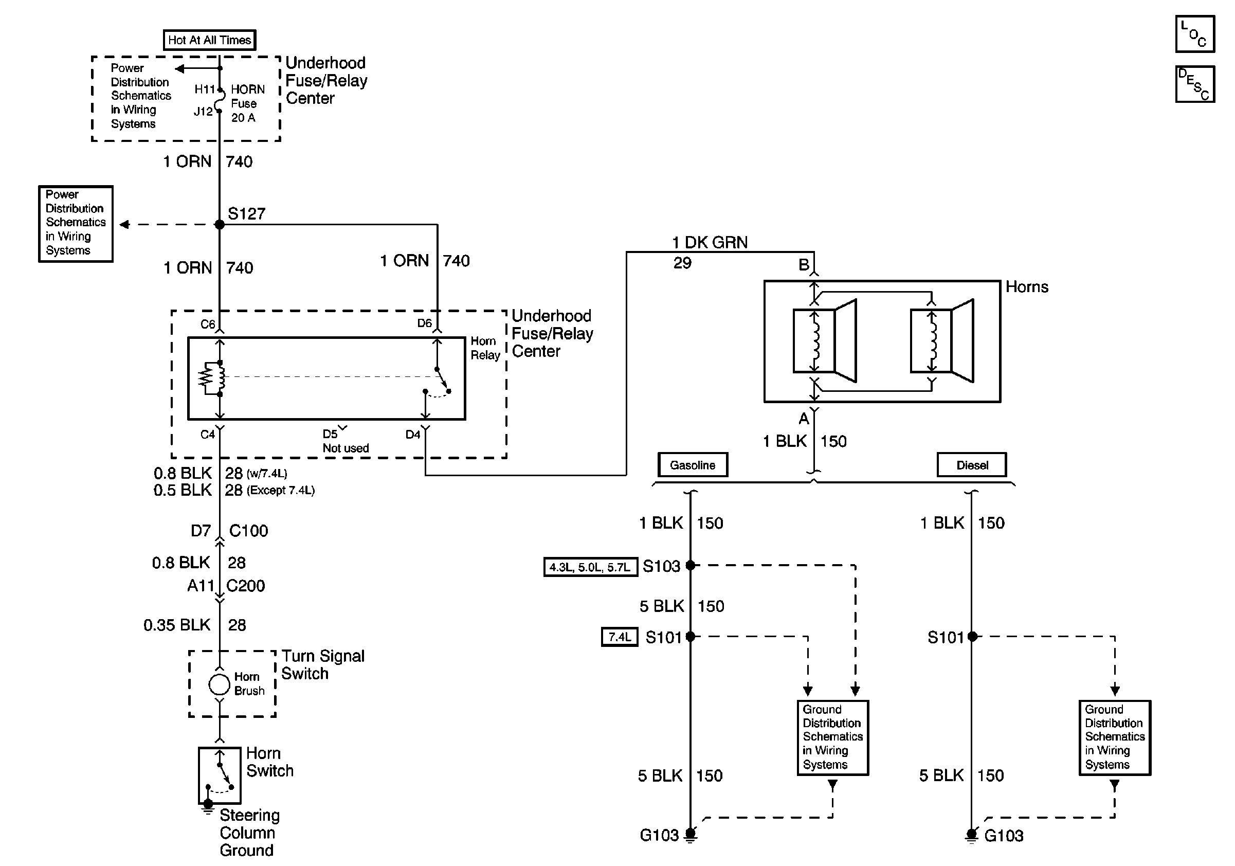
Horns
🢒 Horn Schematics
Horns Components
Horns Circuit Description
Battery, Auxiliary Battery, and Underhood Fuse/Relay Center
Battery, Auxiliary Battery, and Underhood Fuse/Relay Center