GM Service Manual Online
For 1990-2009 cars only
Makes
🢒
Chevrolet
🢒
2000
🢒
Express
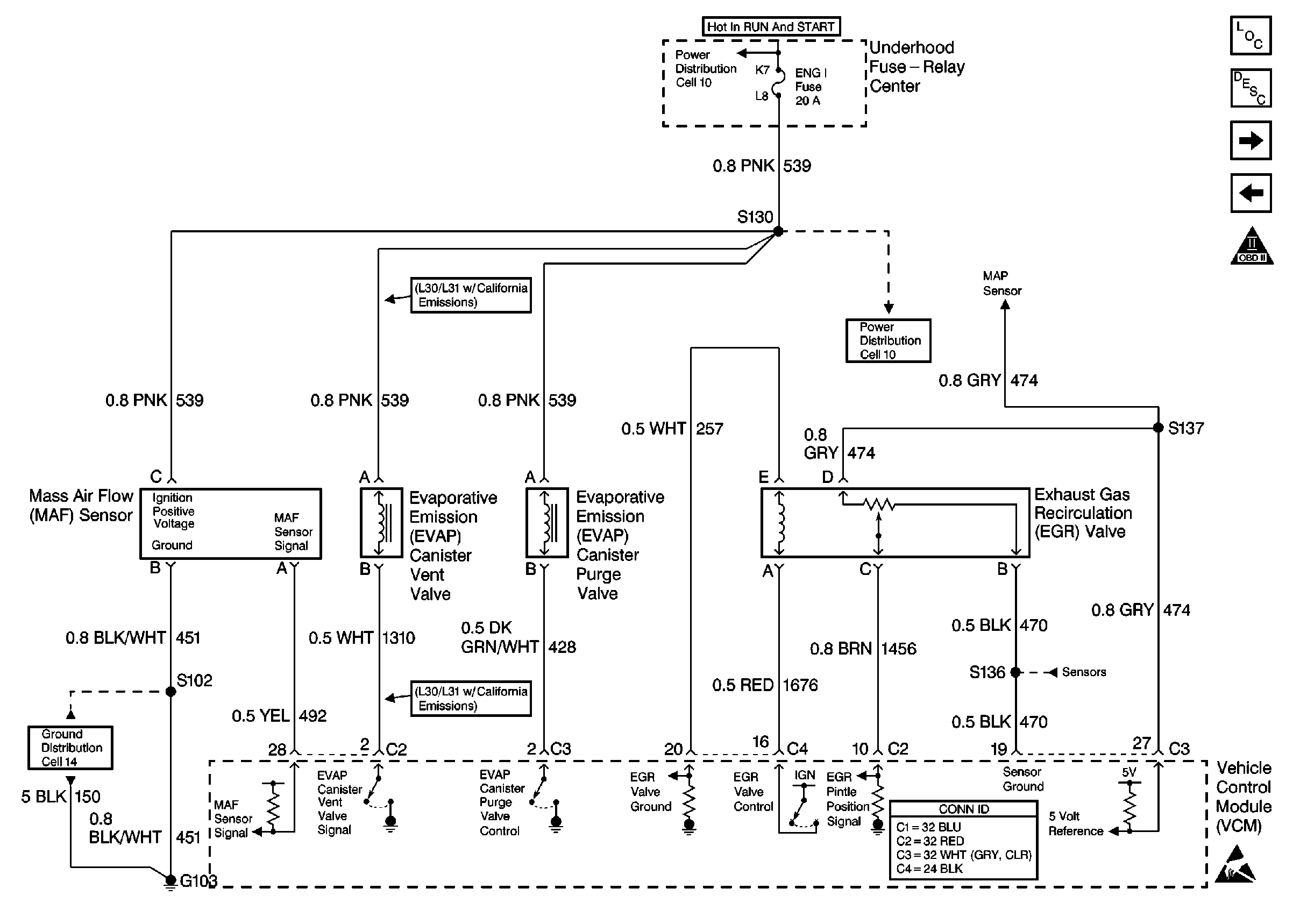
🢒 Cell 21: EGR and EVAP Controls
Cell 21: EGR and EVAP Controls
Cell 21: EGR and EVAP Controls
Engine Controls Components
Information Sensors/Switches Description
Cell 21: Oxygen Sensor Controls 5.0L
Cell 21: Sensor Controls
OBD II Symbol Description Notice
Cell 10: FUEL SOL, IGN-E, ECM-I, ENG-I, GAUGES, AIR BAGS, TURN B/U Fuses
Cell 11: ENG-I Fuse (5.0L, 5.7L)
VCM Connector End Views
Cell 21: Sensor Controls
Cell 21: Sensor Controls
Cell 14: Heated Oxygen Sensor Bank 2 Sensor 1, Heated Oxygen Sensor Bank 1 Sensor 1, C105 (G103) (5.0L, 5.7L)
Handling ESD Sensitive Parts Notice