GM Service Manual Online
For 1990-2009 cars only
Makes
🢒
Chevrolet
🢒
2000
🢒
Express
🢒 Cell 21: Sensor Controls
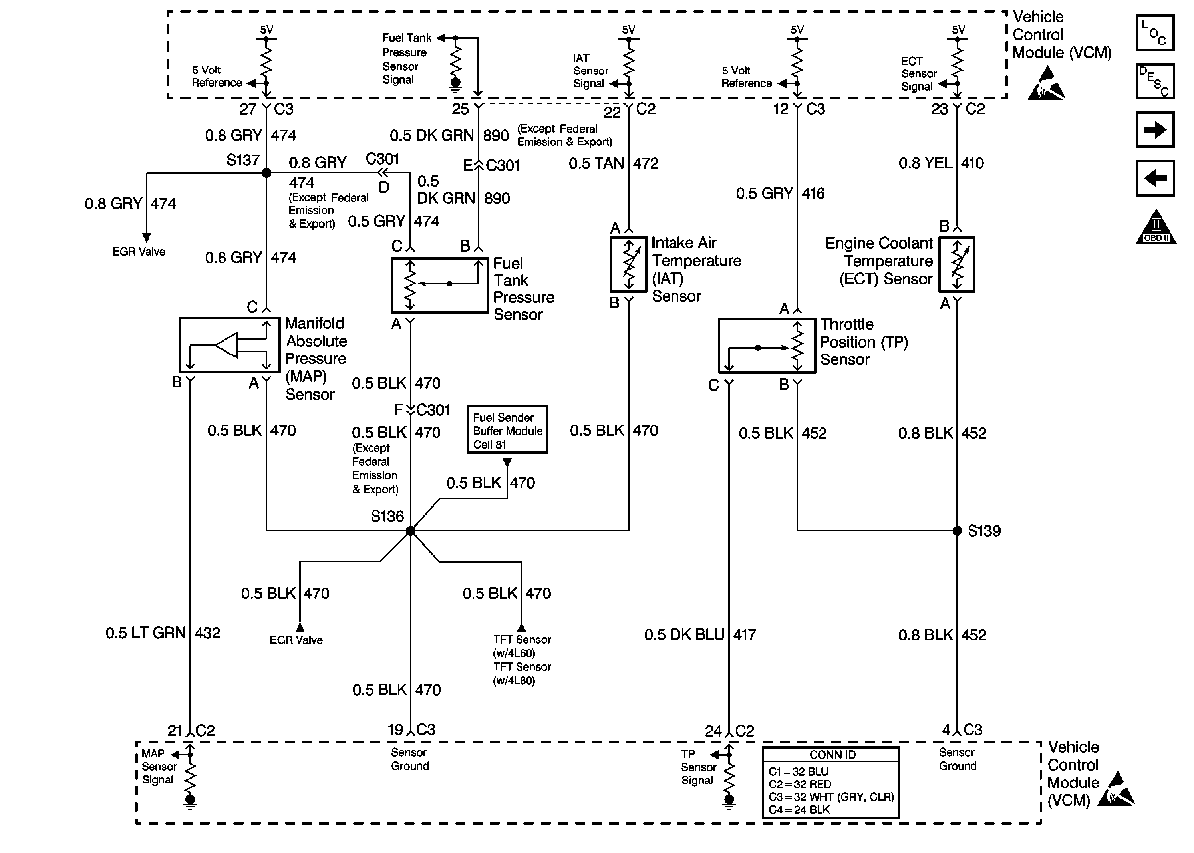
Cell 21: Sensor Controls
Cell 21: Sensor Controls
Engine Controls Components
Information Sensors/Switches Description
Cell 21: EGR and EVAP Controls
Cell 21: Fuel Injector Controls
OBD II Symbol Description Notice
VCM Connector End Views
Cell 21: EGR and EVAP Controls
Cell 21: EGR and EVAP Controls
Cell 21: 4L60-E Transmission Switch Controls
Cell 21: 4L80-E Transmission Switch Controls
Handling ESD Sensitive Parts Notice
Handling ESD Sensitive Parts Notice