GM Service Manual Online
For 1990-2009 cars only
Makes
🢒
Chevrolet
🢒
2000
🢒
Express
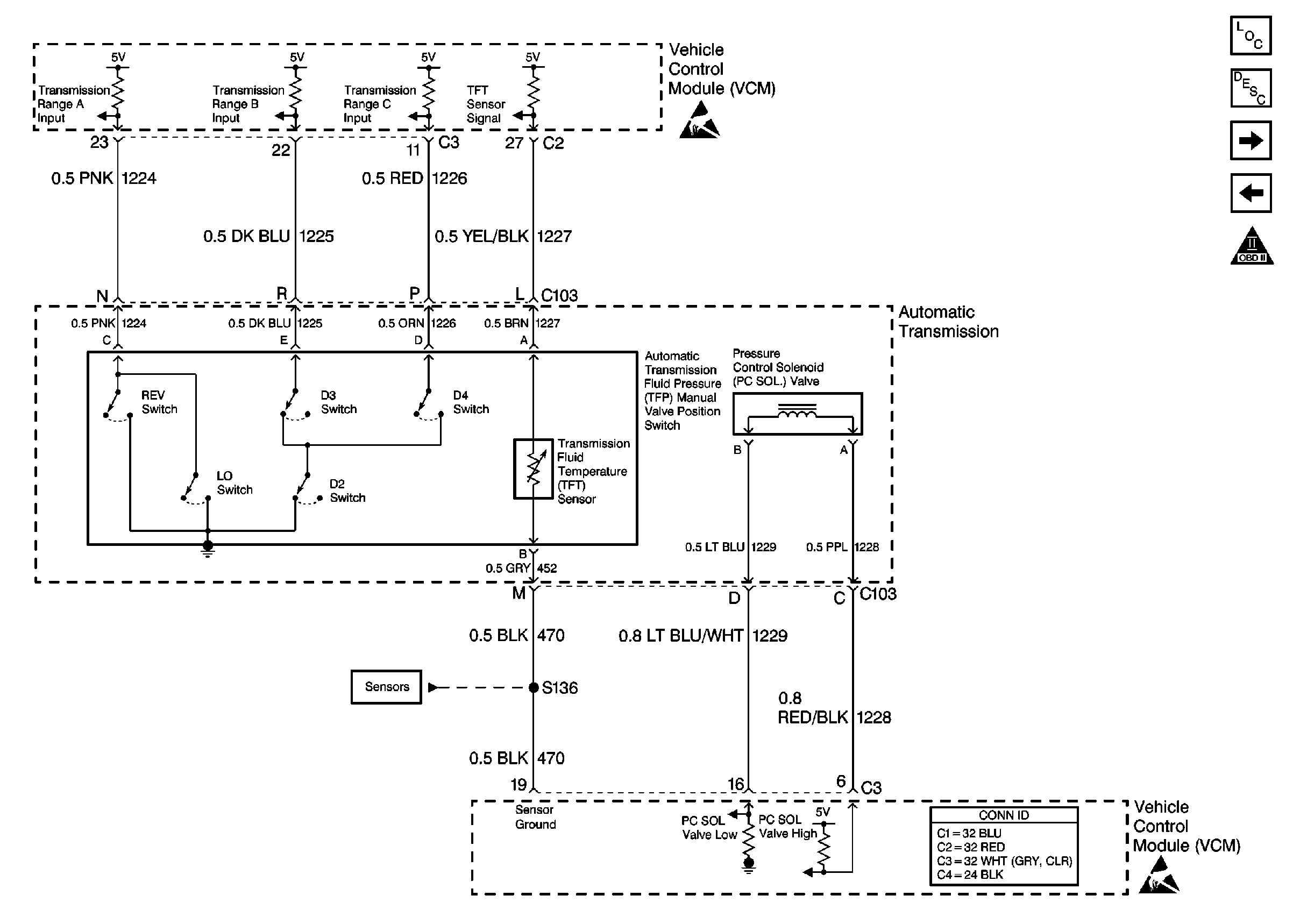
🢒 Cell 21: 4L60-E Transmission Switch Controls
Cell 21: 4L60-E Transmission Switch Controls
Cell 21: 4L60-E Transmission Switch Controls
Engine Controls Components
Information Sensors/Switches Description
Cell 21: 4L80-E Transmission Solenoid Controls
Cell 21: 4L60-E Solenoid Controls
OBD II Symbol Description Notice
VCM Connector End Views
Cell 21: Sensor Controls
Handling ESD Sensitive Parts Notice
Handling ESD Sensitive Parts Notice