GM Service Manual Online
For 1990-2009 cars only
Makes
🢒
Chevrolet
🢒
2000
🢒
Express
🢒 Fuel Controls
Fuel Controls
Fuel Controls
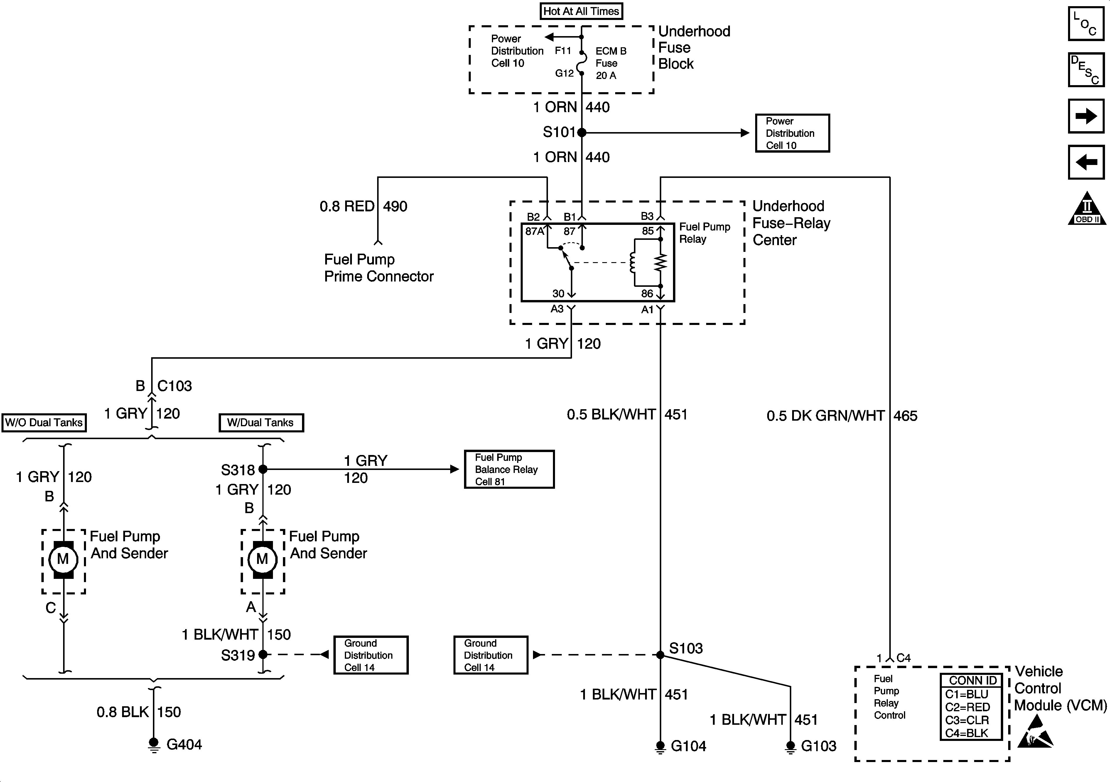
Cell 10: Battery, and Underhood Fuse Block
Cell 10: ECM-B, HORN and A/C COMP Fuses
Fuel Gauge Sender (Dual Tank, Gas)
Cell 14: G201, G300, G404
Cell 14: G103 and G104
VCM Connector End Views
OBD II Symbol Description Notice
Ignition
Fuel Injector Controls