GM Service Manual Online
For 1990-2009 cars only
Makes
🢒
Chevrolet
🢒
2000
🢒
Express
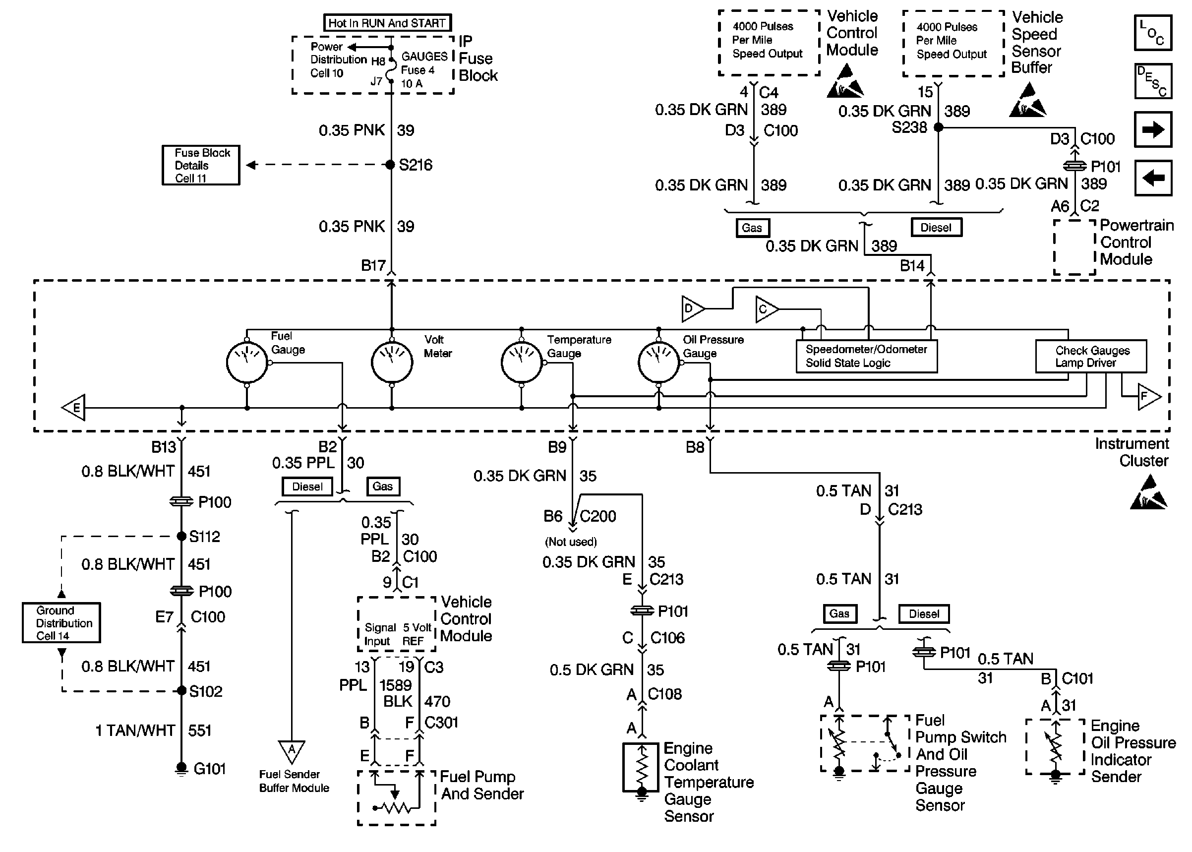
🢒 Cell 81: Fuel Gauge, Voltmeter, Temperature Gauge, Check Gauges Lamp Driver
Cell 81: Fuel Gauge, Voltmeter, Temperature Gauge, Check Gauges Lamp Driver
Cell 81: Fuel Gauge, Voltmeter, Temperature Gauge, Check Gauges Lamp Driver
Lighting Systems Components Export
Headlights Circuit Description Export
Cell 81: Water In Fuel, Check Gauges, Air Bag, Brake Warning, ABS Warning, DRL, Service Throttle Soon, Malfunction, Wait, Battery
Cell 81: Left Turn Lamp, Right Turn Lamp, High Beam, Safety Belt, Illum Lamps
Power Distribution Schematics Export
Fuse Block Schematics Export
Cell 81: Left Turn Lamp, Right Turn Lamp, High Beam, Safety Belt, Illum Lamps
Ground Distribution Schematics Export
Cell 81: FL SDR BUSF MDL, Low ECL IND MOD, Low ECL SEN
Cell 81: Left Turn Lamp, Right Turn Lamp, High Beam, Safety Belt, Illum Lamps
Cell 81: Left Turn Lamp, Right Turn Lamp, High Beam, Safety Belt, Illum Lamps
Cell 81: Water In Fuel, Check Gauges, Air Bag, Brake Warning, ABS Warning, DRL, Service Throttle Soon, Malfunction, Wait, Battery
Handling ESD Sensitive Parts Notice
Handling ESD Sensitive Parts Notice
Handling ESD Sensitive Parts Notice