GM Service Manual Online
For 1990-2009 cars only
Makes
🢒
Chevrolet
🢒
2000
🢒
Express
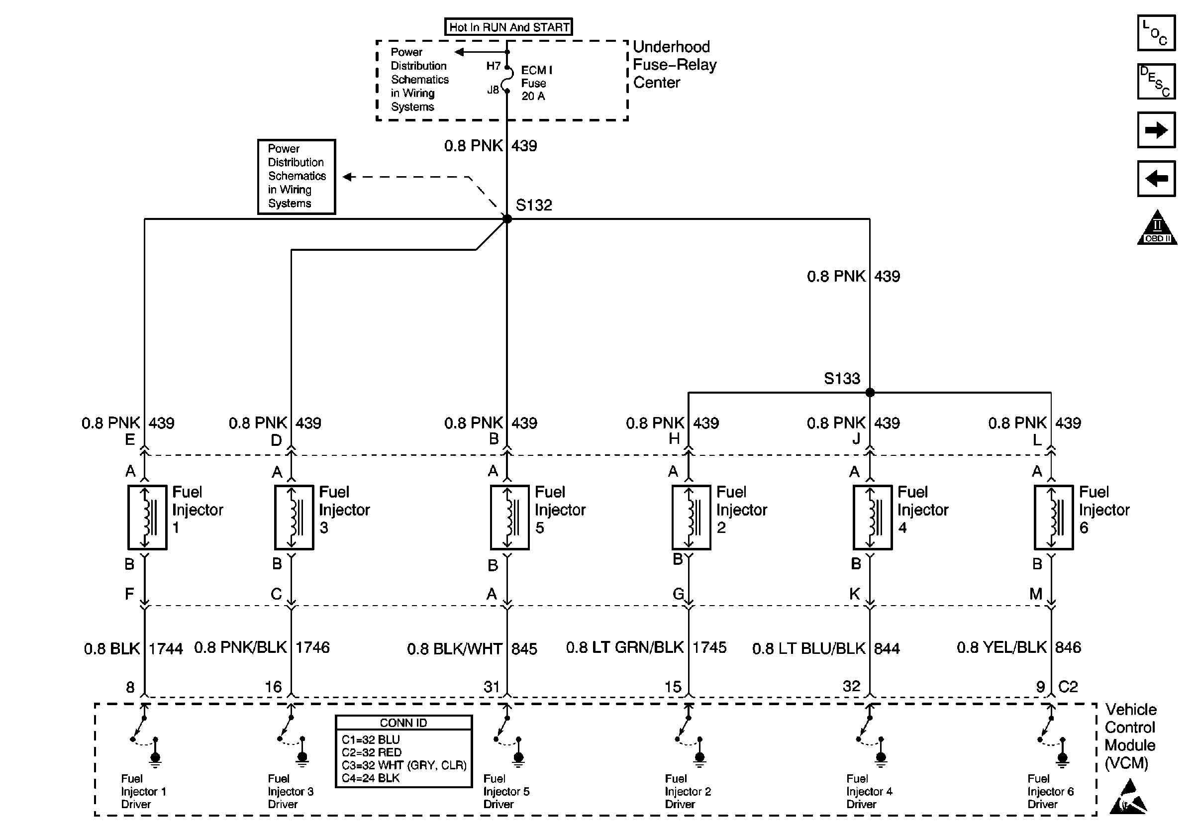
🢒 Fuel Injector Controls
Fuel Injector Controls
Fuel Injector Controls
Engine Controls Components
Vehicle Control Module Description
Sensor Controls: MAP, Fuel Tank Pressure Sensor, IAT, TP Sensor, ECT
Fuel Pump and Sender, Fuel Pump Relay, VCM
OBD II Symbol Description Notice
Handling ESD Sensitive Parts Notice
IGN A, IGN B Fuses, and Ignition Switch
ECM 1 and IGN E Fuses (4.3L)