GM Service Manual Online
For 1990-2009 cars only
Makes
🢒
Chevrolet
🢒
2000
🢒
Express
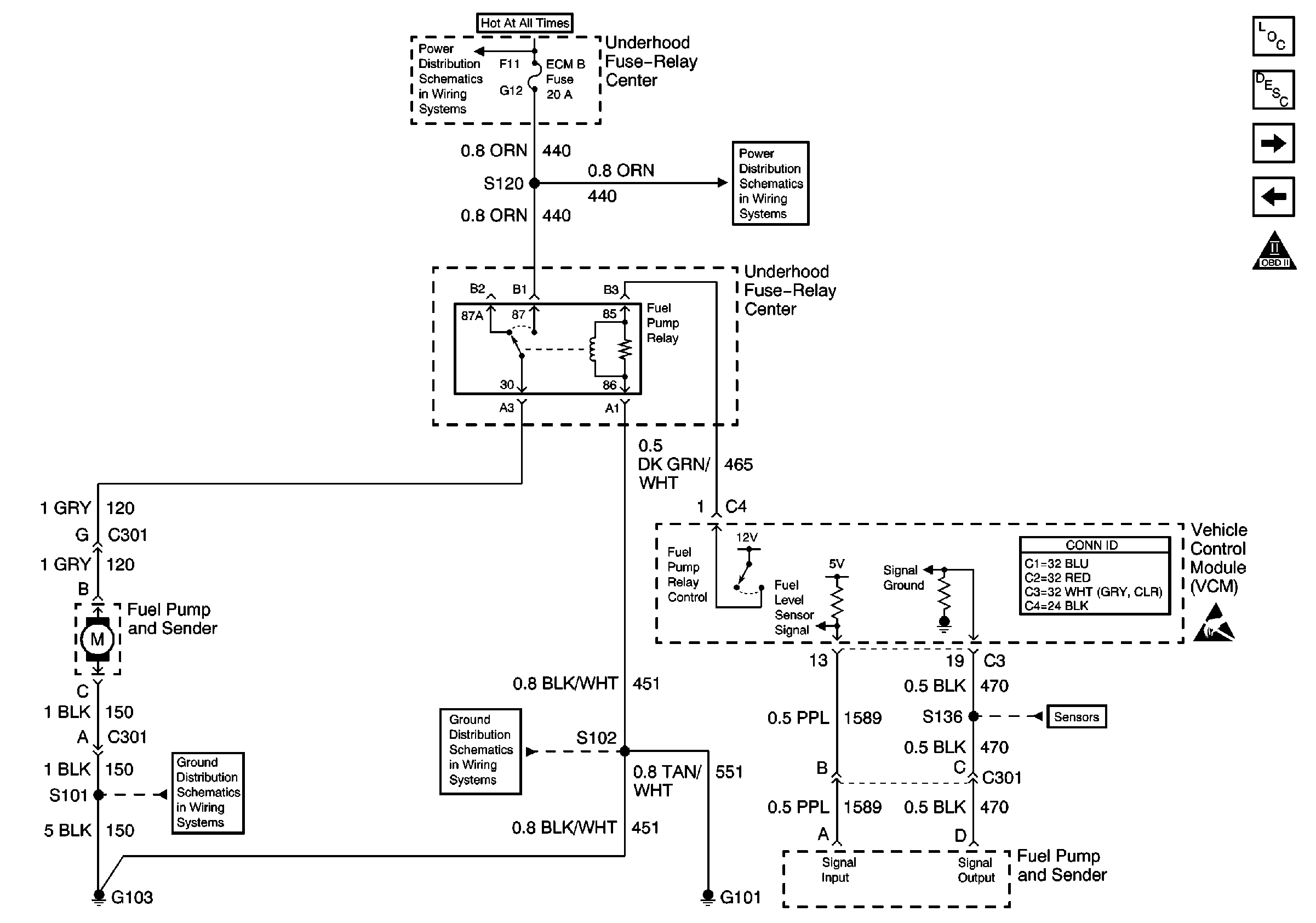
🢒 Fuel Pump and Sender, Fuel Pump Relay, VCM
Fuel Pump and Sender, Fuel Pump Relay, VCM
Fuel Pump and Sender, Fuel Pump Relay, VCM
Engine Controls Components
Vehicle Control Module Description
Fuel Injector Controls
CKP, CMP, ICM, Ignition Coil, VCM, Knock Sensor
OBD II Symbol Description Notice
Handling ESD Sensitive Parts Notice
Battery, Auxiliary Battery, and Underhood Fuse/Relay Center
ECM B, HORN, and A/C Fuses
Sensor Controls: MAP, Fuel Tank Pressure Sensor, IAT, TP Sensor, ECT
G101 (Gasoline Engines)
G103 (4.3L, 5.0L, and 5.7L Engines)