GM Service Manual Online
For 1990-2009 cars only
Makes
🢒
Chevrolet
🢒
2000
🢒
Express
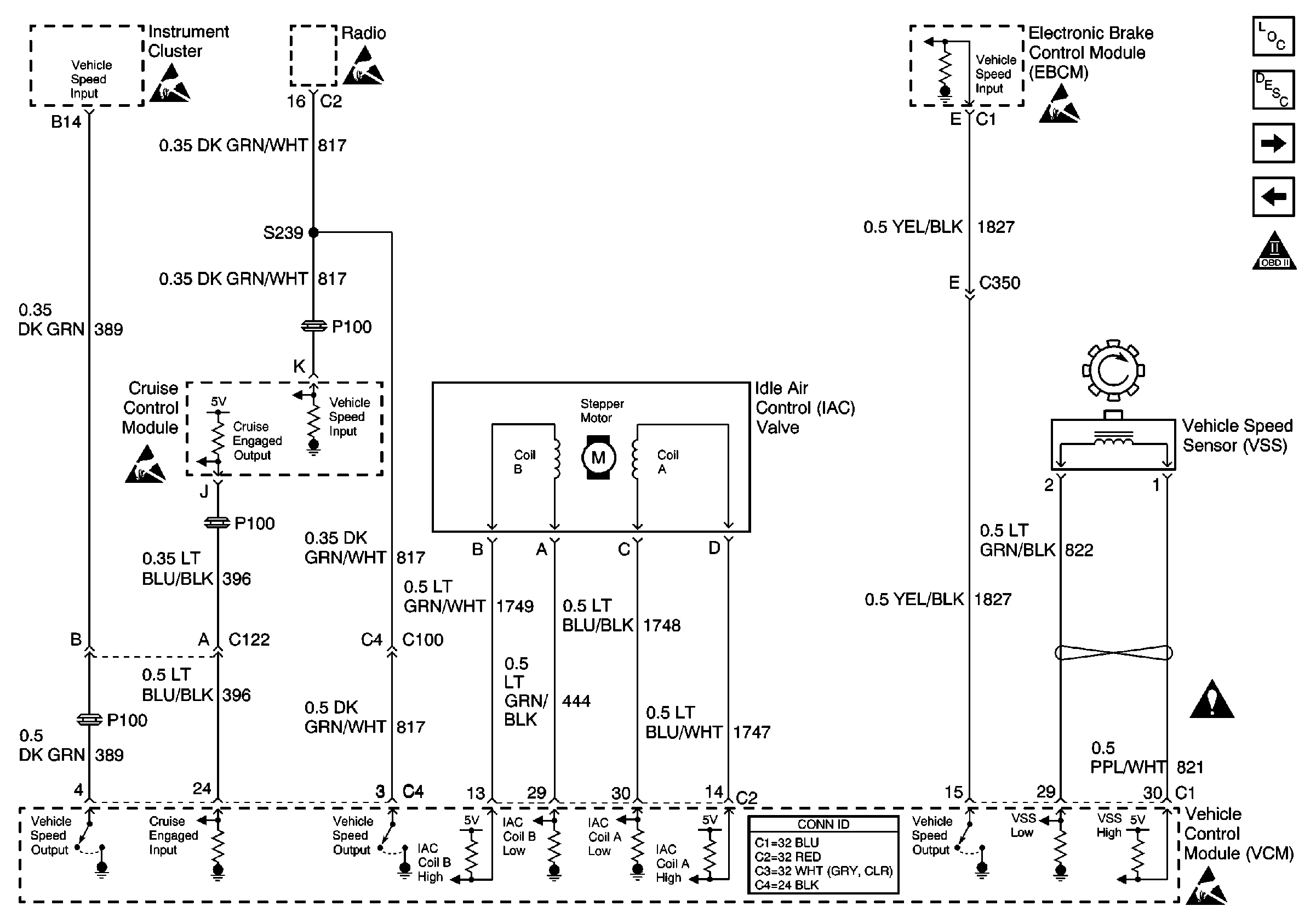
🢒 Vehicle Speed Sensor, IAC, and Cruise Control
Vehicle Speed Sensor, IAC, and Cruise Control
Vehicle Speed Sensor, IAC, and Cruise Control
Engine Controls Components
Vehicle Control Module Description
Secondary AIR Controls
Sensor Controls: Heated Oxygen Sensor (5.7L with 4L80-E)
OBD II Symbol Description Notice
Handling ESD Sensitive Parts Notice
Handling ESD Sensitive Parts Notice
Handling ESD Sensitive Parts Notice
Handling ESD Sensitive Parts Notice
Handling ESD Sensitive Parts Notice
Engine Controls Schematic Icons